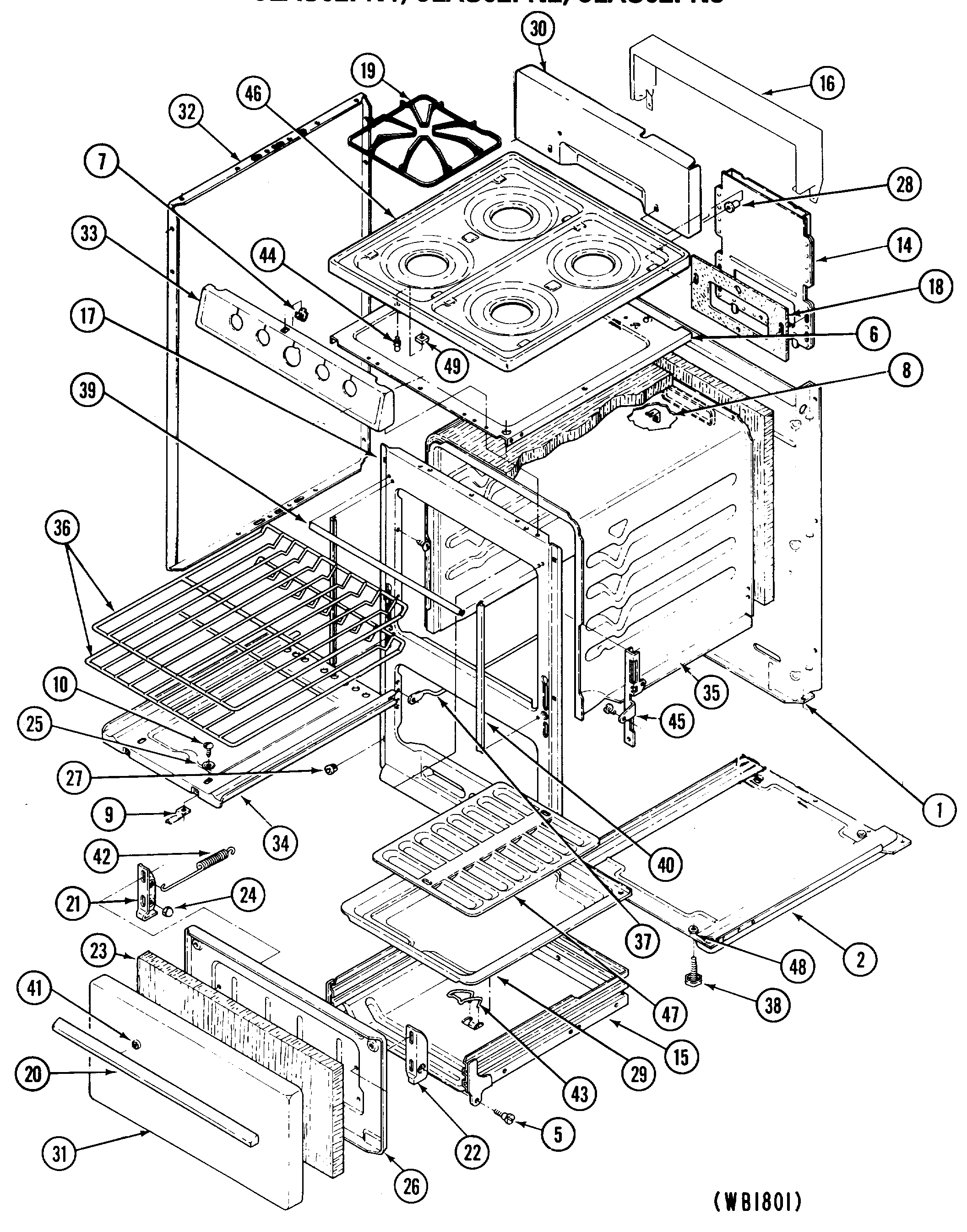
JGAS02PN3 0admin2025-04-26T08:45:18+00:00JGAS02PN3 0 ProductsPositionProduct1GEN WB63X52122GEN WB49X59765GEN WB01X57946GEN WB63X52137CATCH, MAIN TOP8GEN WB02X35419GEN WB02X356110GEN WB01X579514GEN WB38X010215GEN WB58X006016GEN WB01X579616GEN WB01X579716GEN WB61X035117GEN WB63X030918GEN WB38X010319GEN WB32X008720GEN WB01X579821GEN WB14X009422GEN WB14X009523GEN WB0X1013324GEN WB01X127224GEN WB01X579925GEN WB01X580026LINING, BROILER DOOR27GEN WB01X106528GEN WB01X580128GEN WB01X106629GEN WB49X042230GEN WB61X605230GEN WB61X605131GEN WB56X702231GEN WB56X702332GEN WB63X521432GEN WB63X521533GEN WB07X706833GEN WB01X580333GEN WB01X580234GEN WB63X031035OVEN ASSEMBLY36GEN WB48X013737ROD, BROILER RUNNER-RGHT37ROD, BROILER RUNNER-LEFT37GEN WB01X580538GEN WB01X580639SEAL DOOR-TOP40SEAL, DOOR-SIDE41GEN WB02X357742GEN WB09X023442GEN WB09X511443STOP, BROILER44GEN WB14X009645GEN WB10X024945GEN WB10X024845GEN WB01X580746TOP, MAIN-ALMOND46TOP, MAIN-WHITE47GEN WB48X013548GEN WB01X58109999GEN WB01X58429999WB2X7909 GE Oven Anti-Tip Kit32767GEN 49-8169