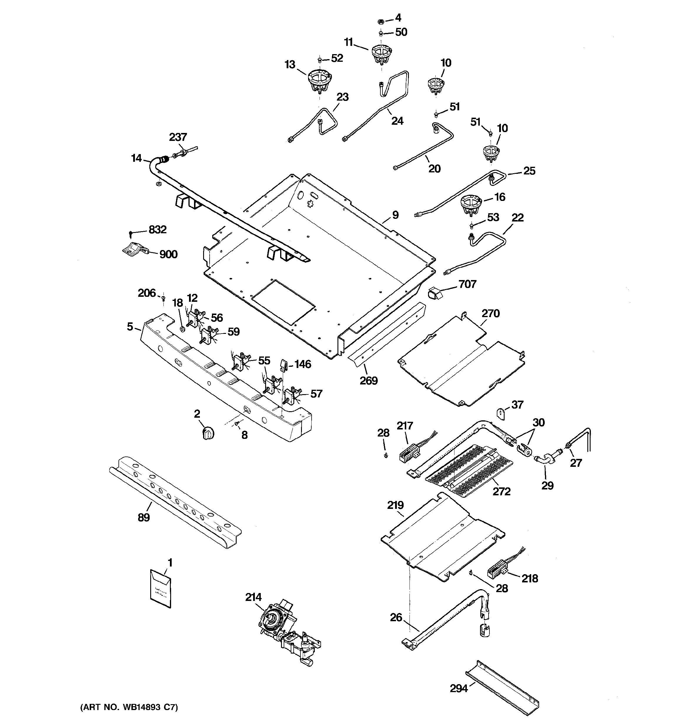
JGB296DET2BB GAS & BURNER PARTSadmin2025-04-26T08:45:17+00:00JGB296DET2BB GAS & BURNER PARTS ProductsPositionProduct1GEN WB28K108231GEN WB64X100051GEN 31-10803-11GEN WB02K01011GEN 31-14990-11GEN 49-85183-12WB03K10216 GE Oven Manifold Knob2WB03K10218 GE Oven Control Knob4WB01K10037 GE Oven Economic Nut5GEN WB36K109535GEN WB36K109518WB01K10002 GE Oven Screw 8-329WB63K10190 GE Burner Box Assembly10WB02K10360 GE Oven Circuit Bracket Small11WB02K10361 GE Oven Orifice Holder12SWITCHES & HARNESS13WB02K10362 GE Oven CKT Bracket MDM & L14GEN WB28K1080516WB02K10363 GE Oven Cooktop Bracket XL18WB2K24 GE Oven Valve Cover20NG ORIFICE & TUBE CNTRAL22GEN WB28K1080723GEN WB28K1081024NG ORIFICE & TUBE LR25GEN WB28K1081126WB16K10035 GE Range Oven Burner Bar with Igniter27WB28K10168 GE Oven Burner Supply Tube28WB1X1293 GE Oven Screw29GEN WB28K1031030GEN WB16K1006737WB34K14 GE Igniter Cover50WB28K10215 GE Oven Orifice51WB28K10031 GE Oven Orifice52WB28K10214 GE Oven Orifice53GEN WB28K1083955WB21K10113 GE Oven Burner Valve 27056VALVE BURNER 27057WB21K10117 GE Oven Burner Valve59GEN WB21K1011289GEN WB36K10952146GEN WB02K0052206WB01K10091 GE Oven Screw214WB19K10078 GE Oven Control Valve Assembly217WB13X25261 GE Oven Igniter Glowbar218WB13K21 GE Oven Igniter with 7 Leads219OVEN DEFLECTOR237WB28X24772 GE Oven Gas Tube Connector269GEN WB35K10048270WB49K10025 GE Range Deflector272WB49K10045 GE Broil Shield294WB63K10054 GE Terminal Cover707WB02K10267 GE Wire Clip832WB01K10043 GE Oven Screw832WB01K10080 GE Oven Thermostat Screw900WB02K10297 GE Oven Valve Bracket