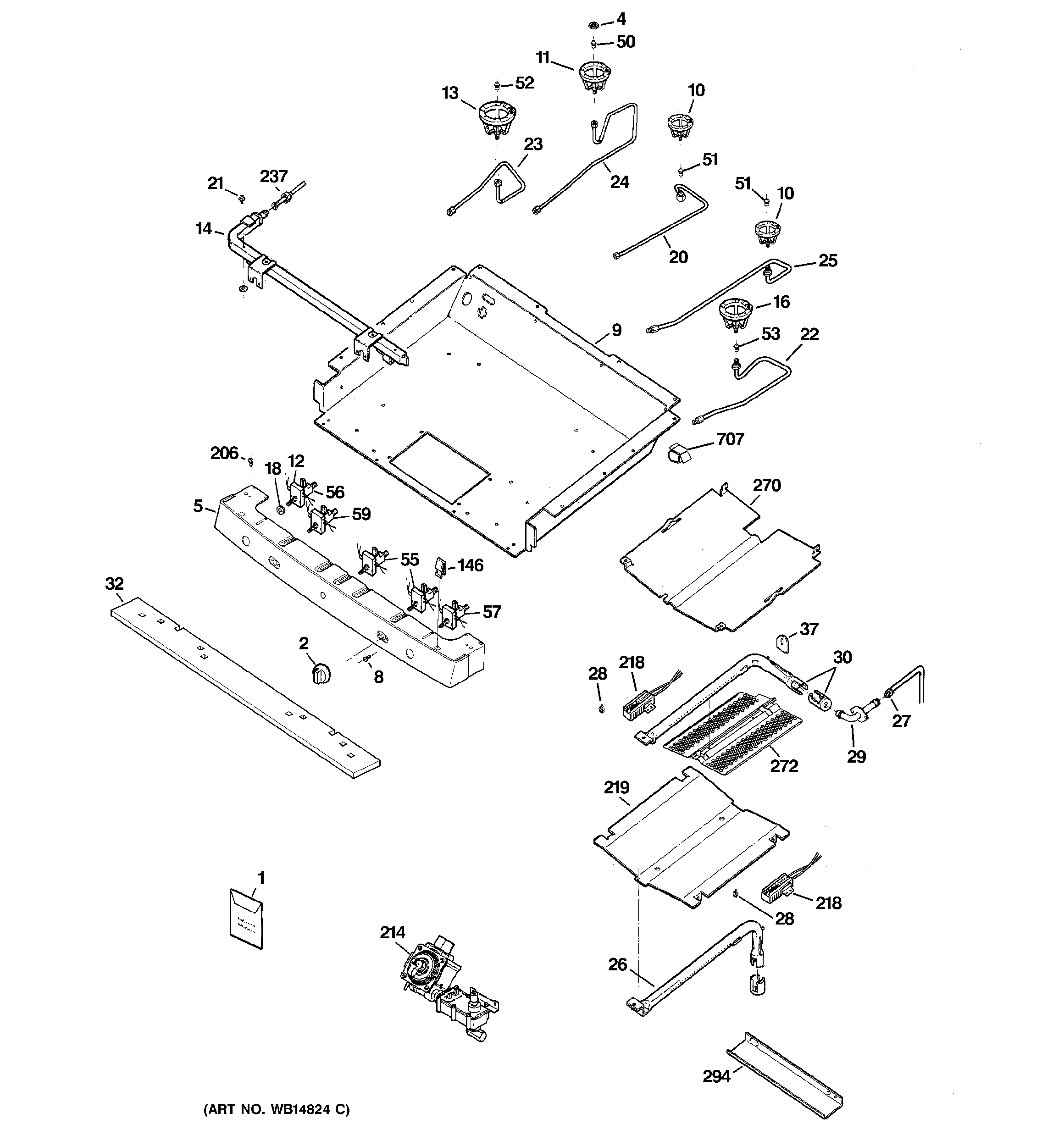
JGB400DEP1BB GAS & BURNER PARTSadmin2025-04-26T08:45:26+00:00JGB400DEP1BB GAS & BURNER PARTS ProductsPositionProduct1GEN 49-851721GEN 31-214741GEN WB28K106141GEN 31-214532GEN WB03K102932GEN WB03K102924WB01K10037 GE Oven Economic Nut5GEN WB36K107715GEN WB36K107548WB01K10002 GE Oven Screw 8-329WB63K10190 GE Burner Box Assembly10WB02K10360 GE Oven Circuit Bracket Small11WB02K10361 GE Oven Orifice Holder12GEN WB24K1002412GEN WB24K1002313WB02K10362 GE Oven CKT Bracket MDM & L14GEN WB28K1038016WB02K10082 GE Oven Bracket XL Cooktop18WB2K24 GE Oven Valve Cover20WB28K10588 GE Oven Orifice Holder Assembly21WB01K10066 GE Oven Screw 8 HD 10-3222GEN WB28K1041323WB28K10388 GE Oven Left Orifice Holder24ORIFICE HOLDER LR NG25ORIFICE HOLDER RR NG26WB16K10035 GE Range Oven Burner Bar with Igniter27WB28K10168 GE Oven Burner Supply Tube28WB1X1293 GE Oven Screw29GEN WB28K1031030GEN WB16K1006737WB34K14 GE Igniter Cover50WB28K10215 GE Oven Orifice51WB28K10031 GE Oven Orifice52WB28K10214 GE Oven Orifice53GEN WB28K1021655WB21K10096 GE Oven Burner Valve 27057WB21K10080 GE Oven Burner Valve 270 Hi-Cap59WB21K10119 GE Oven Burner Valve 270146GEN WB02K0052206WB01K10091 GE Oven Screw214WB19K10043 GE Oven Gas Valve and Regulator Assembly218WB13K21 GE Oven Igniter with 7 Leads219OVEN DEFLECTOR237WB28X24772 GE Oven Gas Tube Connector237GEN WB28K10587270WB49K10025 GE Range Deflector272WB49K10045 GE Broil Shield294WB63K10054 GE Terminal Cover707WB02K10267 GE Wire Clip