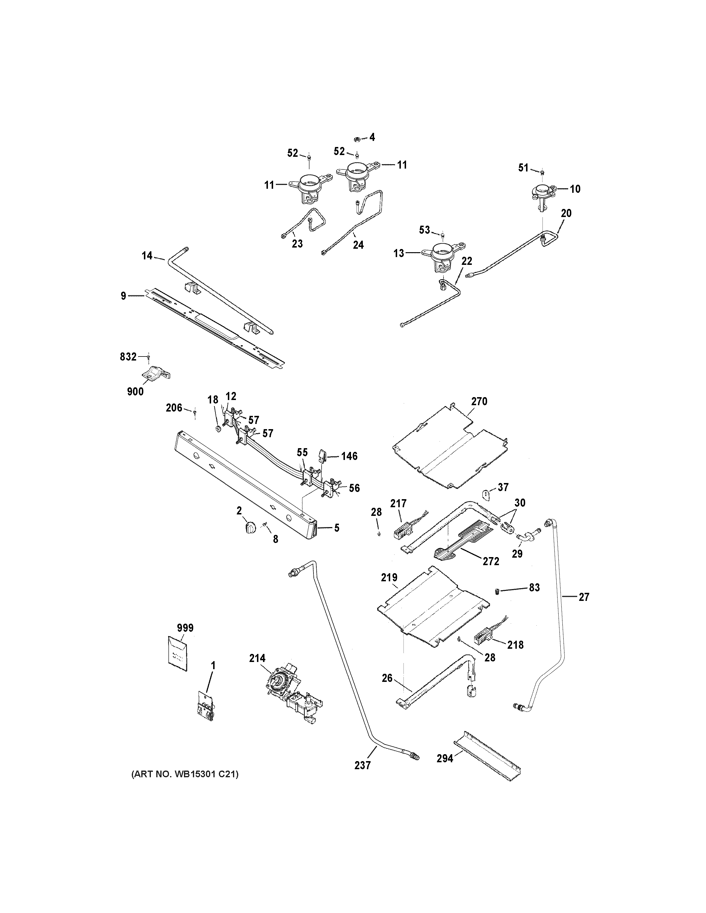
JGB635DEK3CC GAS & BURNER PARTS

JGB635DEK3CC GAS & BURNER PARTS

Products

PositionProduct
1WB28X39143 GE LP Conversion Kit
1WB28X29254 GE Range Natural Gas High Altitude Kit
1WB49X26121 GE Oven Butane Conversion Kit
2KNOB VALVE ASM
4WB01K10037 GE Oven Economic Nut
5BISQUE MANIFOLD PANEL
8WB01K10002 GE Oven Screw 8-32
9WB34X20680 GE Support Manifold
10WB02X24728 GE Range Small Injector
11WB02X24727 GE Oven Right Front Burner Jet with Electrode
12HARNESS BURNER BOX
13WB02X24726 GE Range Injector Large
14WB28K10457 GE Oven Manifold Pipe
18WB2K24 GE Oven Valve Cover
20WB28X26309 GE Oven Surface Burner Orifice Holder
22FRONT ORIFICE HOLDER
23WB28X26306 GE Oven Left Front Orifice Holder
24WB28X26308 GE Oven L Rear Orifice Holder
26WB16X20463 GE Oven Bake Burner
27WB28X24773 GE Oven Burner Supply Tube
28WB1X1293 GE Oven Screw
29WB28X20389 GE Oven 90-Degree Elbow Assembly
30WB16K10086 GE Range Broil Burner
37WB34X24753 GE Igniter Cover
51WB28K10834 GE Oven Orifice Assembly
52WB28K10023 GE Oven Orifice
53WB28K10032 GE Oven LP Orifice
55WB21K10169 GE Oven Burner Valve Round 140
56WB21K10170 GE Oven Round Burner Valve 140
57ROUND VALVE BURNER
83WB28X26089 GE Oven Orifice Spud
146WB02X26569 GE Range Top Clip
206WB01K10091 GE Oven Screw
214WB21X33226 GE Valve Control Assembly
218WB13K21 GE Oven Igniter with 7 Leads
219OVEN DEFLECTOR
237TUBE MANIFOLD SUPPLY ASSEMBLY
270WB49K10025 GE Range Deflector
272WB34X20303 GE Range Broil Shield
294GEN WB63K10040
832WB01K10097 GE Range Thermostat Screw
900WB02K10263 GE Oven Round Valve Bracket
999WB49X21392 GE Oven Hinge Service Kit
999PM GAS QUICK GUIDE
999PM INSTALL INSTRUCTIONS
999PM MANUAL MINI & WD ASM
999PM BUTANE INSTRUCTIONS
999PM INSTALL INSTRUCTIONS
999PM NG HA INSTRUCTIONS