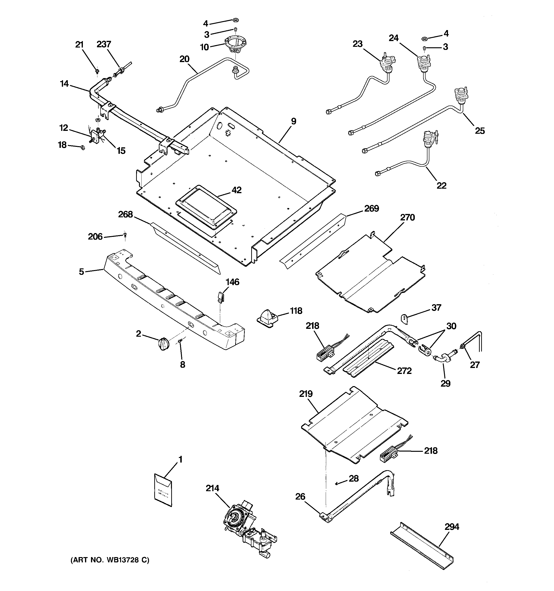
JGB908CEK6CC GAS & BURNER PARTSadmin2025-04-26T08:46:15+00:00JGB908CEK6CC GAS & BURNER PARTS ProductsPositionProduct1GEN 31-212841GEN WB28K102971GEN WB02K01011GEN 49-851012GEN WB03K101363GEN WB28K102803GEN WB28K102833GEN WB28K102873GEN WB28K102823GEN WB28K102593WB28K10288 GE Oven Orifice Spud3GEN WB28K102583GEN WB28K102603GEN WB28K102613GEN WB28K102844WB01K10037 GE Oven Economic Nut5GEN WB36K105248WB01K10002 GE Oven Screw 8-329GEN WB63K1003710WB02K10360 GE Oven Circuit Bracket Small12GEN WB24K1002412GEN WB24K1002314GEN WB28K1038015WB21K10099 GE Oven Burner Valve15GEN WB21K1006515WB21K10097 GE Oven Burner Valve15WB21K10096 GE Oven Burner Valve 27015WB21K10117 GE Oven Burner Valve18WB2K24 GE Oven Valve Cover20ORIFICE HOLDER ASM NG21WB01K10066 GE Oven Screw 8 HD 10-3221WB1K83 GE Oven Screw22GEN WB28K1029523GEN WB28K1029124GEN WB28K1029225GEN WB28K1029326WB16K10035 GE Range Oven Burner Bar with Igniter27WB28K10168 GE Oven Burner Supply Tube28WB1X1293 GE Oven Screw29GEN WB28K1031030GEN WB16K1000437WB34K14 GE Igniter Cover42GEN WB63K0022118GEN WB14K10005146GEN WB02K0052206WR01X10065 GE Screw214WB19K10043 GE Oven Gas Valve and Regulator Assembly218WB13X25261 GE Oven Igniter Glowbar218WB13K21 GE Oven Igniter with 7 Leads219OVEN DEFLECTOR237WB28X24772 GE Oven Gas Tube Connector268GEN WB35K10047269GEN WB35K10048270DEFLECTOR272WB34K10 GE Oven Broil Shield294GEN WB63K10040