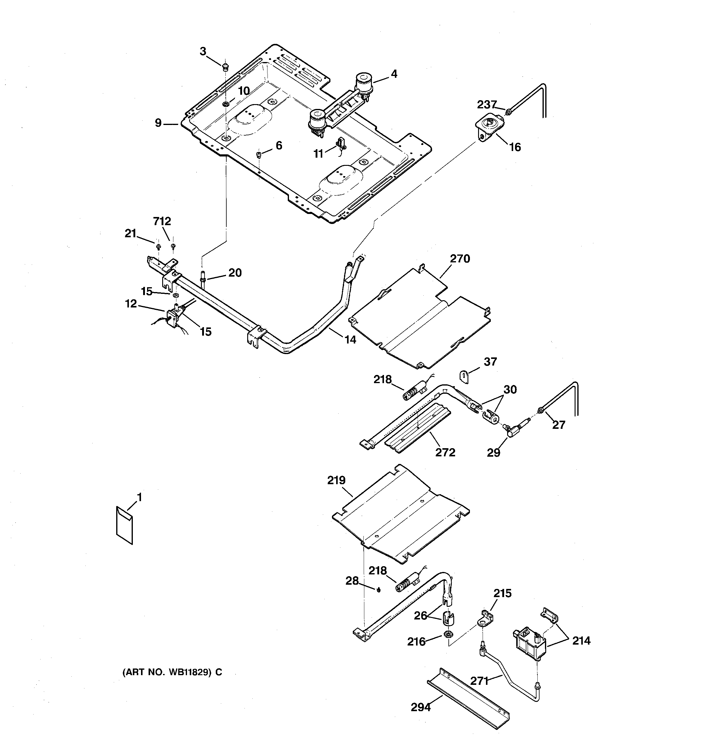
JGBP26AEA1AA GAS & BURNER PARTSadmin2025-04-26T08:46:01+00:00JGBP26AEA1AA GAS & BURNER PARTS ProductsPositionProduct1WB28K10564 GE Oven Conversion Kit Assembly1WB2K20 GE Oven Bracket Assembly1GEN 31-206291GEN 49-88553WB28K10376 GE Oven Orifice3WB28K10033 GE Oven Orifice Spud4WB16K10026 GE Oven Range Cooktop Double Burner6GEN WB02K00099WB64K10001 GE Oven Burner Box10GEN WB01K000411WB18X26988 GE Oven Top Spark Electrode12GEN WB24K1000314GEN WB28K1001715WB21K12 GE Oven Burner Control Valve16PRESSURE REGULATOR20WB28K10009 GE Oven Burner Tube20WB28K10010 GE Oven Front Tube Assembly20WB28K10011 GE Oven Rear Burner Tube20WB28K10012 GE Oven Rear Burner Tube21WB1K83 GE Oven Screw26GEN WB16K002227GEN WB28K005528WB1X1293 GE Oven Screw29GEN WB28K1001929GEN WB28K1001830GEN WB16K1000837WB34K14 GE Igniter Cover214WB19K14 GE Oven Control Valve215WB2K65 GE Oven SAF Valve Bracket216GEN WB01K0006218WB2X9154 GE Oven Igniter with 8" Leads219OVEN DEFLECTOR237GEN WB28K0151270DEFLECTOR271GEN WB28K0202271GEN WB28K0060272WB34K10 GE Oven Broil Shield294GEN WB63K0019712WB1K37 GE Oven Screw