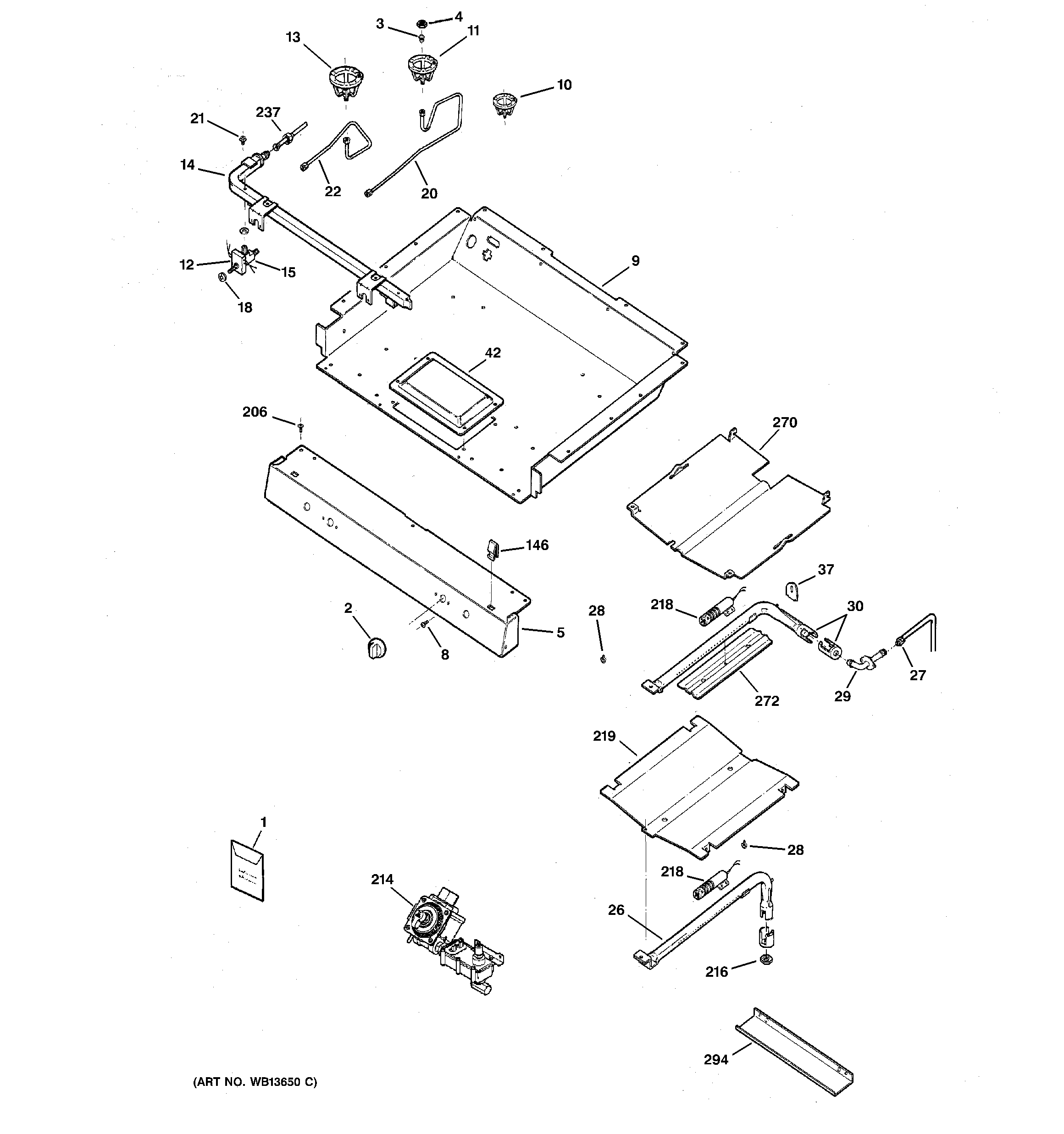
JGBP32CEJ2CC GAS & BURNER PARTSadmin2025-04-26T08:47:08+00:00JGBP32CEJ2CC GAS & BURNER PARTS ProductsPositionProduct1GEN WB02K01011GEN WB28K101631GEN 31-212161GEN 49-850772GEN WB03K101473WB28K10031 GE Oven Orifice3WB28K10032 GE Oven LP Orifice3WB28K10023 GE Oven Orifice4WB01K10037 GE Oven Economic Nut5GEN WB36K103588WB01K10002 GE Oven Screw 8-329GEN WB63K1003710WB02K10360 GE Oven Circuit Bracket Small11WB02K10361 GE Oven Orifice Holder12GEN WB24K1002412GEN WB24K1002313WB02K10362 GE Oven CKT Bracket MDM & L14GEN WB28K1002815GEN WB21K1003815GEN WB21K1004015GEN WB21K1003918WB2K24 GE Oven Valve Cover20WB28K10188 GE Oven Rear Orifice H R 150N 950020WB28K10187 GE Oven Rear Orifice Holder21WB1K83 GE Oven Screw22GEN WB28K1021722WB28K10189 GE Oven Front Orifice Holder26GEN WB16K002227WB28K10168 GE Oven Burner Supply Tube28WB1X1293 GE Oven Screw29GEN WB28K1031030GEN WB16K1000837WB34K14 GE Igniter Cover42GEN WB63K0022146GEN WB02K0052206WR01X10065 GE Screw214WB19K10051 GE Oven Control Valve Assembly SIC D.216GEN WB01K0006218WB2X9154 GE Oven Igniter with 8" Leads219OVEN DEFLECTOR237WB28X24772 GE Oven Gas Tube Connector270DEFLECTOR272WB34K10 GE Oven Broil Shield294GEN WB63K10040