JGBP35GEP3 1

JGBP35GEP3 1

Products

PositionProduct
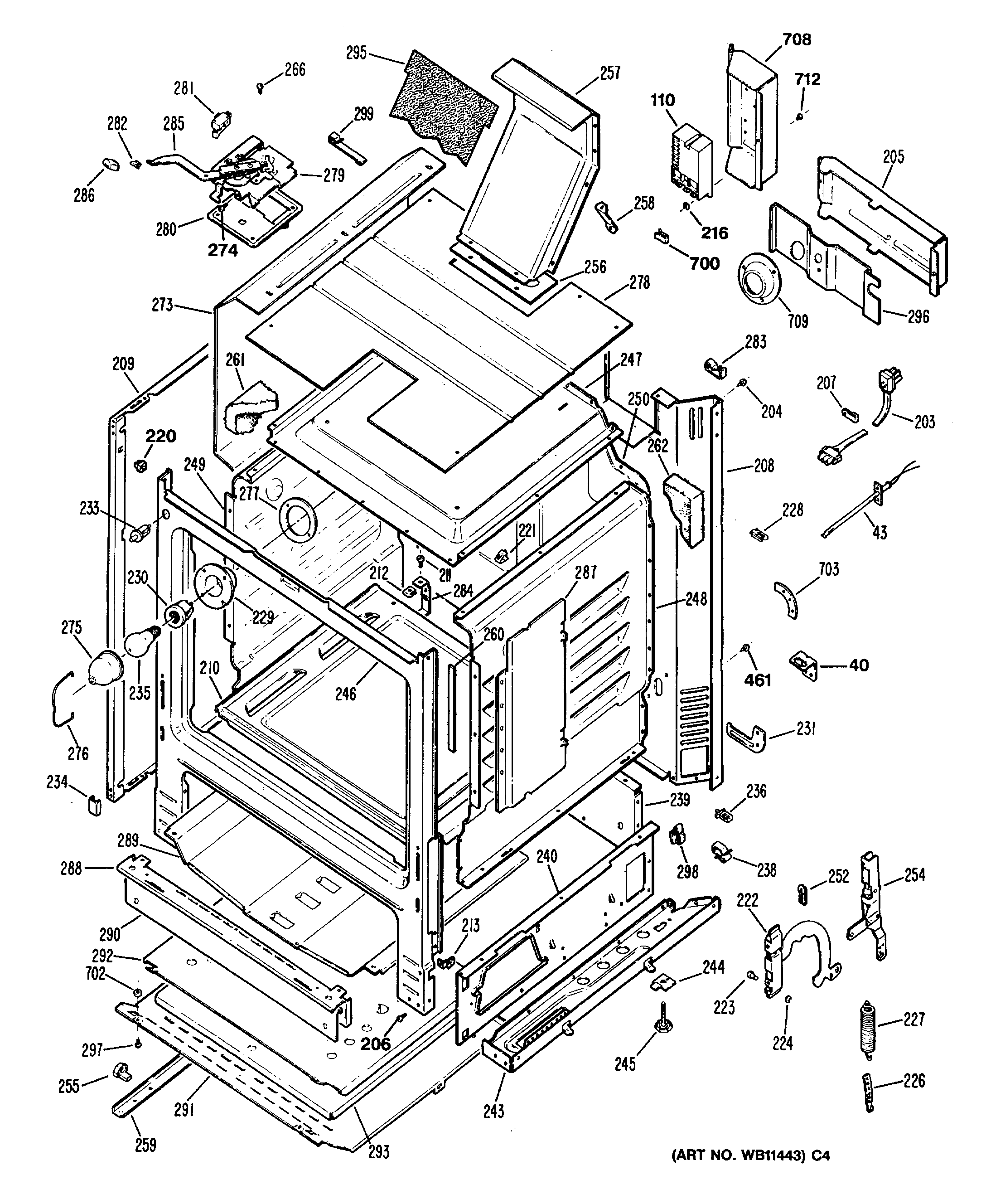
40GEN WB02K0048
43WB21X5301 GE Range Stove Oven Temperature Sensor Probe 6" Length
110GEN WB13K0005
110GEN WB18K0003
203GEN WB18K0001
204WZ4X345D GE Screw Package 12 C92
205GEN WB34K0006
206WR01X10065 GE Screw
207WB2K36 GE Oven Clamp Cable
208WB63K21 GE Back
209GEN WB63K0011
209GEN WB63K0012
210GEN WB53K0020
211WB1K5 GE Oven Screw 8-18 X B97
212WB1K2 GE Oven Speednut
213WB1K3 GE Oven Speed Nut
216NUT LOCK SM
216GEN WB01K0006
220GEN WB02K0008
222GEN WB10K0009
223GEN WB02X6195
224RING RETAINING
226GEN WB02K0011
227GEN WB09K0005
228GEN WB02X7066
229GEN WB08K0001
230GEN WB08K0002
231GEN WB02K0012
233GEN WB24K0006
234GEN WB07K0002
236GEN WB02K0022
238GEN WB02K0023
239GEN WB63K0025
240WB63K3 GE Oven Panel Side Broil
240GEN WB63K0002
243GEN WB63K0006
243GEN WB63K0007
244GEN WB02K0001
245GEN WB02X7701
246GEN WB63K0026
247GEN WB53K0014
248GEN WB53K0002
249GEN WB53K0003
250GEN WB53K0019
252GEN WB10K0001
254GEN WB01X0549
254GEN WB10K0007
254GEN WB10K0008
255WB02K10158 GE Oven Drawer Support
256GEN WB32K0001
257GEN WB38K0001
258WB38K2 GE Range Vent Brace
259WB39K16 GE Oven Drawer Rail
260WB32K2 GE Oven Gasket Seal
261GEN WB35K0007
262GEN WB35K0008
266GEN WZ05X0234
266GEN WB01K0012
273GEN WB53K0012
273GEN WB53K0011
274GEN WB01K0044
275WB36X192 GE Oven Light Cover
276WB2K27 GE Oven Bail
277GEN WB32K0005
278GEN WB53K0018
279GEN WB02K0042
280GEN WB02K0029
281GEN WB24K0010
282RETAINER-INSULATION
283WB02X21679 GE Oven Wire Clip
284WB2K32 GE Oven Support Bracket
285GEN WB15K0013
286GEN WB03K0045
287GEN WB53K0017
287GEN WB53K0016
288BRACE
289WB34K10086 GE Oven Lower Heat Shield
290GEN WB34K0012
291WB63K16 GE Oven Bottom Guard
292GEN WB63K0017
293GEN WB63K0018
295GEN WB38K0005
296WB34K13 GE Oven B Panel Cover
297WB1K5062 GE Oven Screw
298GEN WB02K0037
299GEN WB02K0038
461WB1X536 GE Oven Screw
700GEN WB02K0034
702GEN WB01K0024
703BRACKET OVEN
708GEN WB34K0018
709GEN WB34K0019
712WB1K37 GE Oven Screw