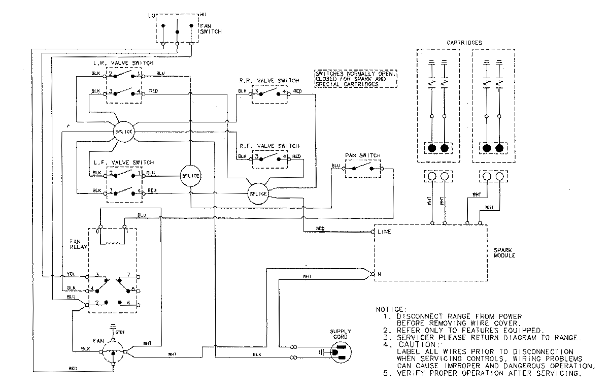
JGD8130ADS 05 – WIRING INFORMATIONadmin2025-04-26T09:02:51+00:00JGD8130ADS 05 – WIRING INFORMATION ProductsPositionProductNIMAY 15002837