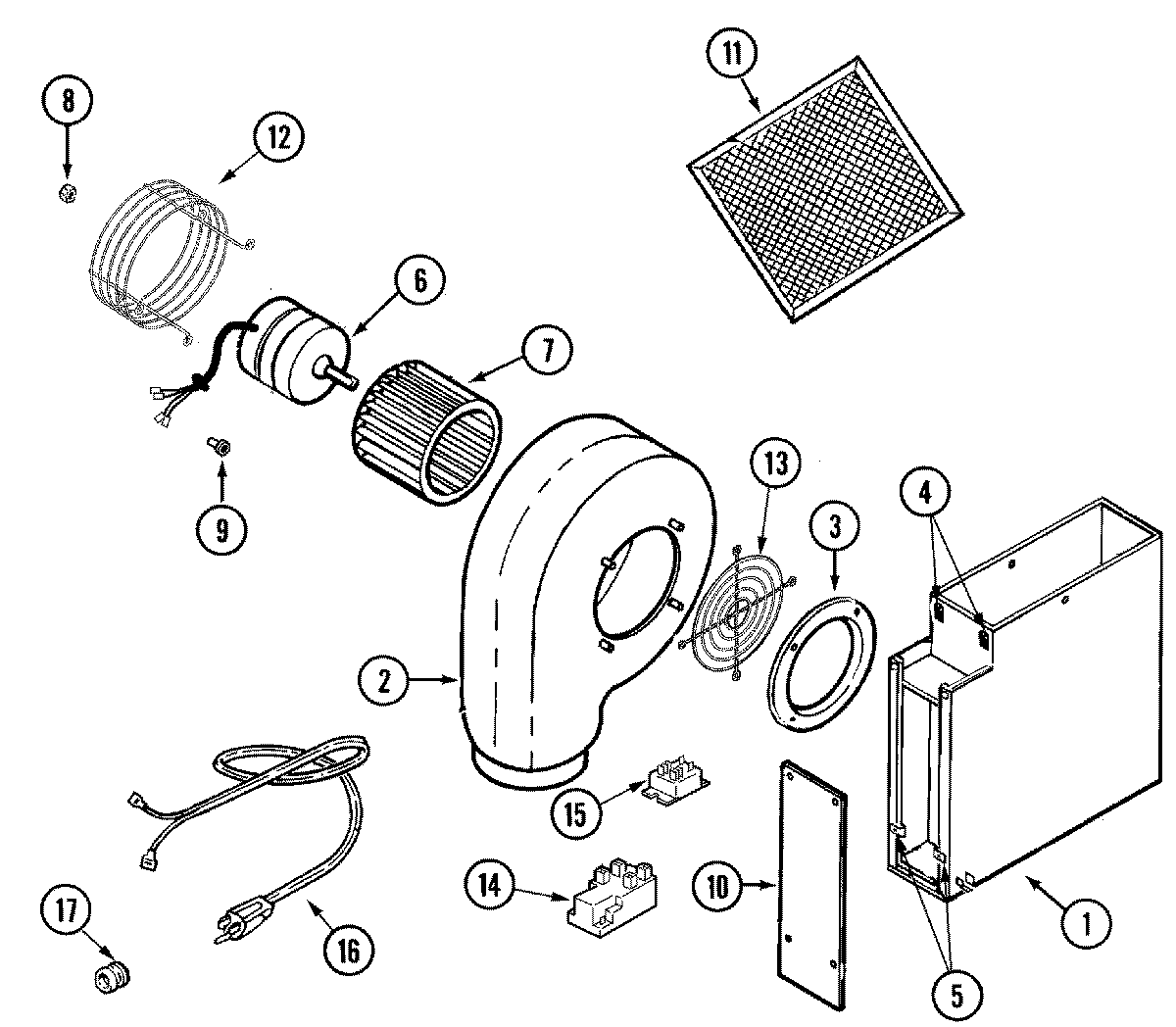
JGD8345ADW 01 – BLOWER PLENUMadmin2025-04-26T09:03:00+00:00JGD8345ADW 01 – BLOWER PLENUM ProductsPositionProduct1MAY 740066101MAY 740061382MAY 71200828038P003-60 Whirlpool Retainer2MAY Y7047613MAY Y7047584MAY Y7078315MAY 740058126MAY 740057856MAY Y7071506M0282005 Whirlpool Nut7WPY707985 Whirlpool Wheel Assembly8WPY707702 Whirlpool Locknut9MAY Y0410052210MAY 7100175910MAY Y70768110MAY 7400660910MAY 7400586811WP90767 Whirlpool Screw11MAY Y70768811WP707929 Whirlpool Grease Filter12MAY 7400578712MAY Y70619312SCREW13MAY 7400152114MAY 74004282148215557 Whirlpool Gas Stove Range Oven Cooktop Spark Module1512001452 Whirlpool Relay Change16MAY 7400592717MAY Y04100254