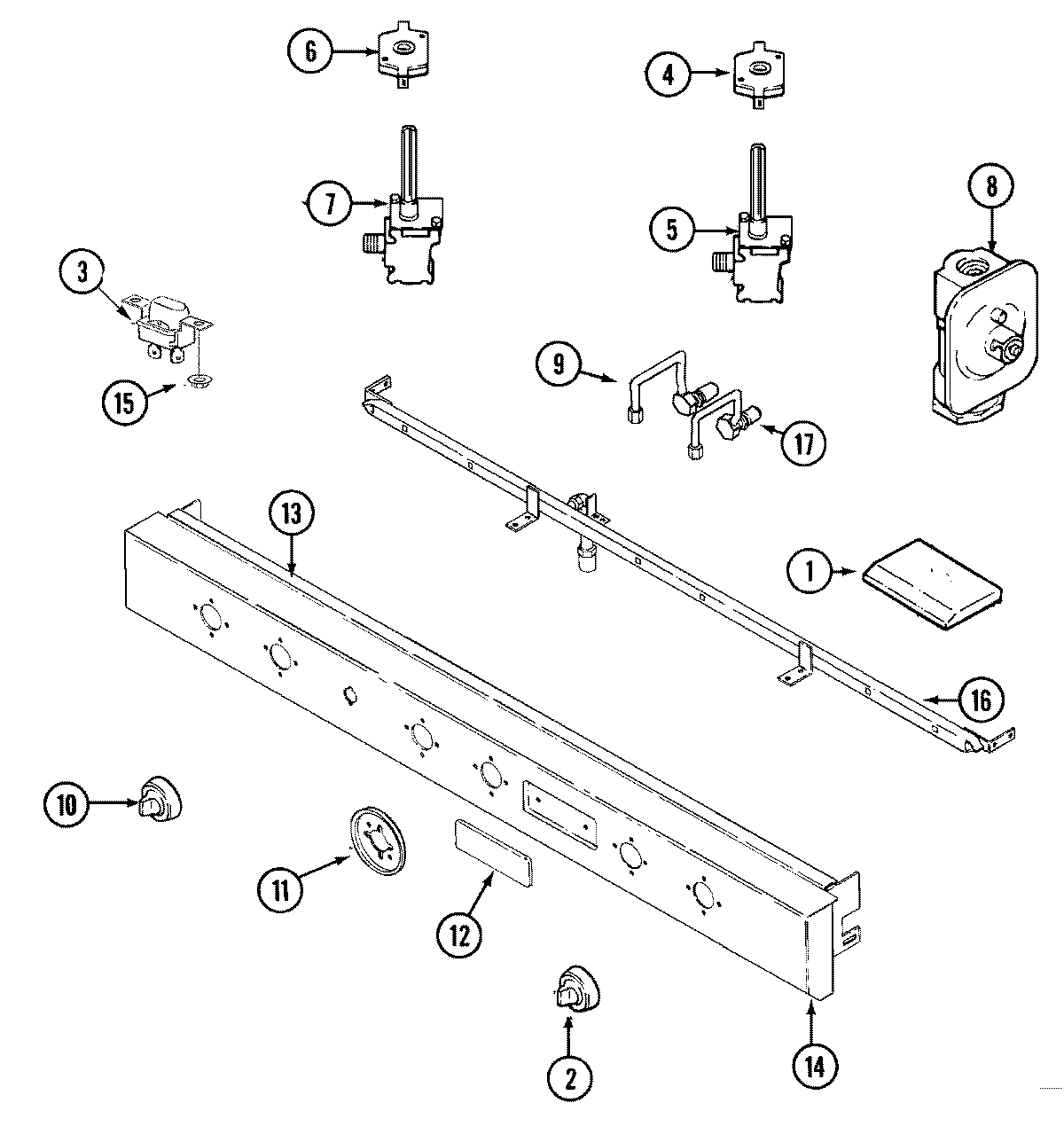
JGD8348ADP 03 – CONTROL PANELadmin2025-04-26T09:02:55+00:00JGD8348ADP 03 – CONTROL PANEL ProductsPositionProduct1MAY 710010521MAY 710010532WP71001057 Whirlpool Control Knob3MAY 710010474WP4330739 Whirlpool Igniter Switch5VALVE-GAS6WPY704513 Whirlpool Oven Igniter Switch7MAY 710032317MAY Y041001878W11106948 Whirlpool Pressure Regulator9MAY 710010459MAY 7100104610MAY 7100104211SCREW11MAY 7100105612MAY Y0410073712MAY 7400688913MAY 7100104814MAY 7100103914MAY 71001038157103P166-60 Whirlpool Nut16MAY 7100104017MAY 7100104317MAY 7100104417MAY Y70501918MAY Y0410068718MAY 7100105118MAY 7100104919MAY 71002030