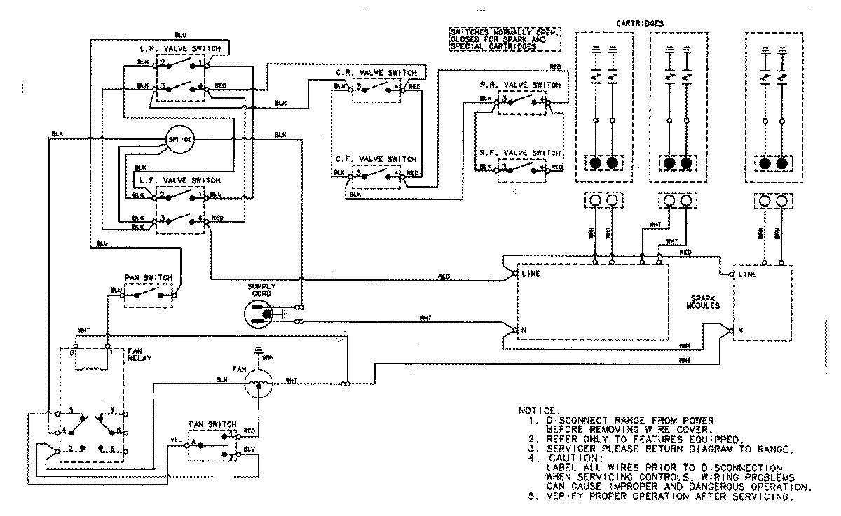
JGD8348CDP 05 – WIRING INFORMATIONadmin2025-04-26T09:03:24+00:00JGD8348CDP 05 – WIRING INFORMATION ProductsPositionProductNIMAY 15002933