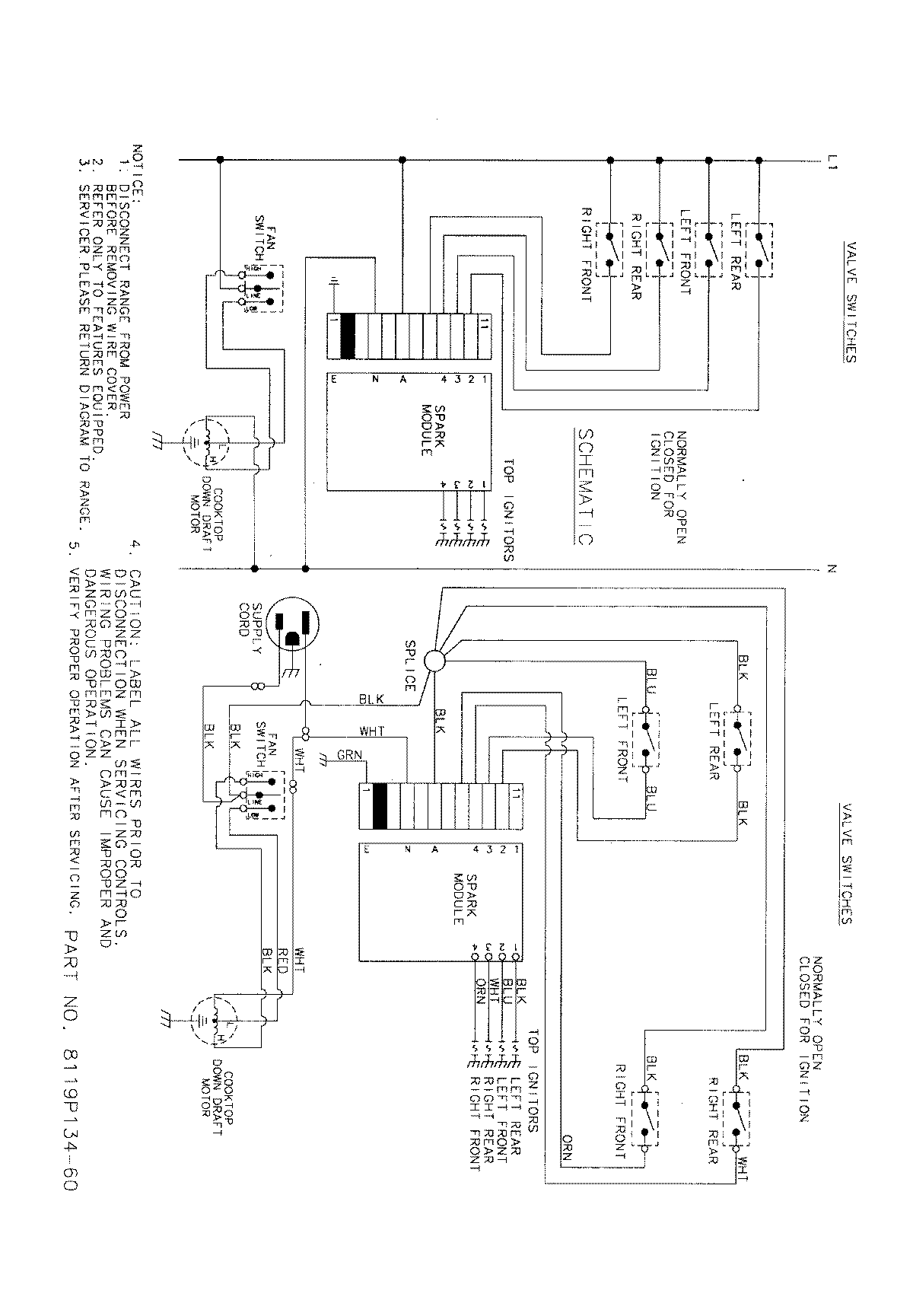
JGD8430ADB 05 – WIRING INFORMATIONadmin2025-04-26T09:03:22+00:00JGD8430ADB 05 – WIRING INFORMATION ProductsPositionProductNIMAY 15003699