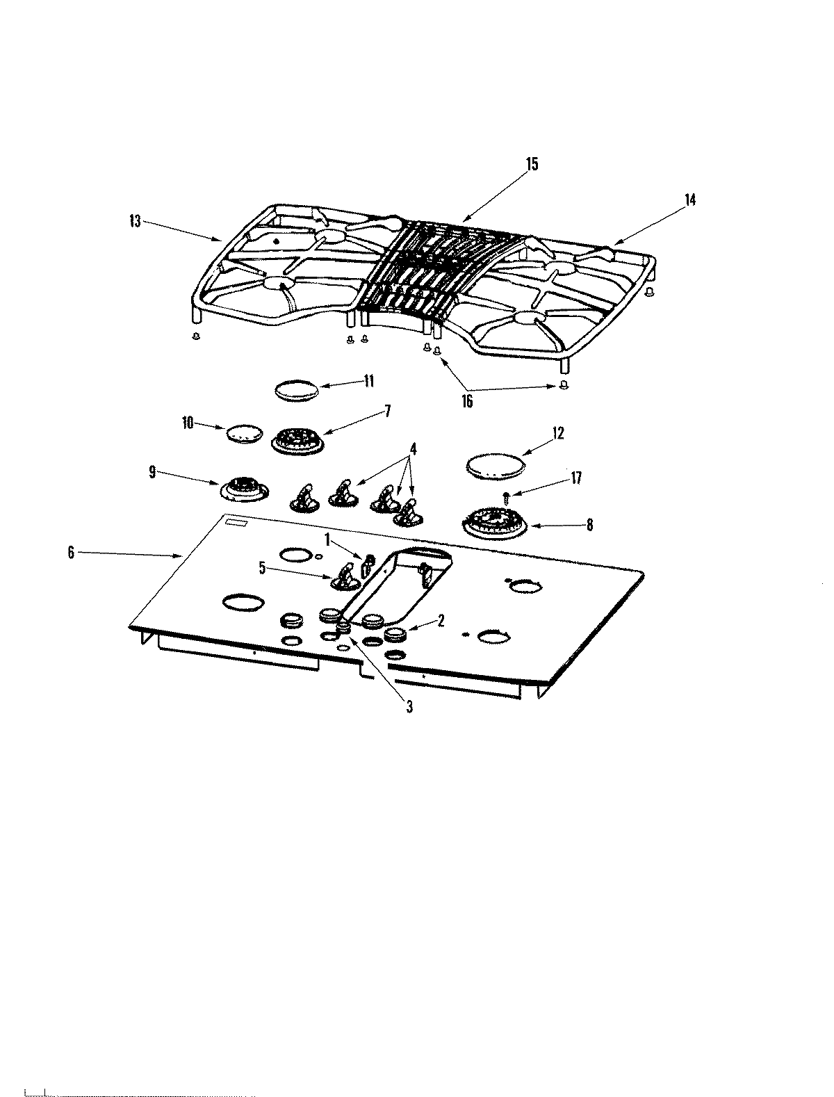
JGD8430ADF 04 – TOP ASSEMBLY