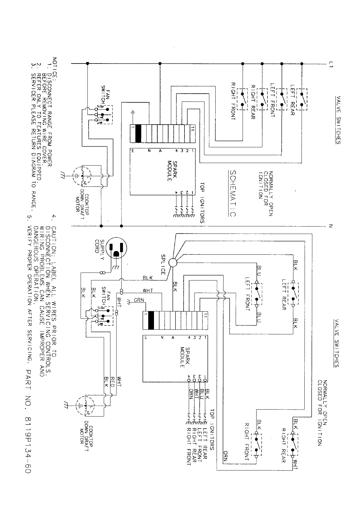
JGD8430ADF 05 – WIRING INFORMATIONadmin2025-04-26T09:02:02+00:00JGD8430ADF 05 – WIRING INFORMATION ProductsPositionProductNIMAY 15003699