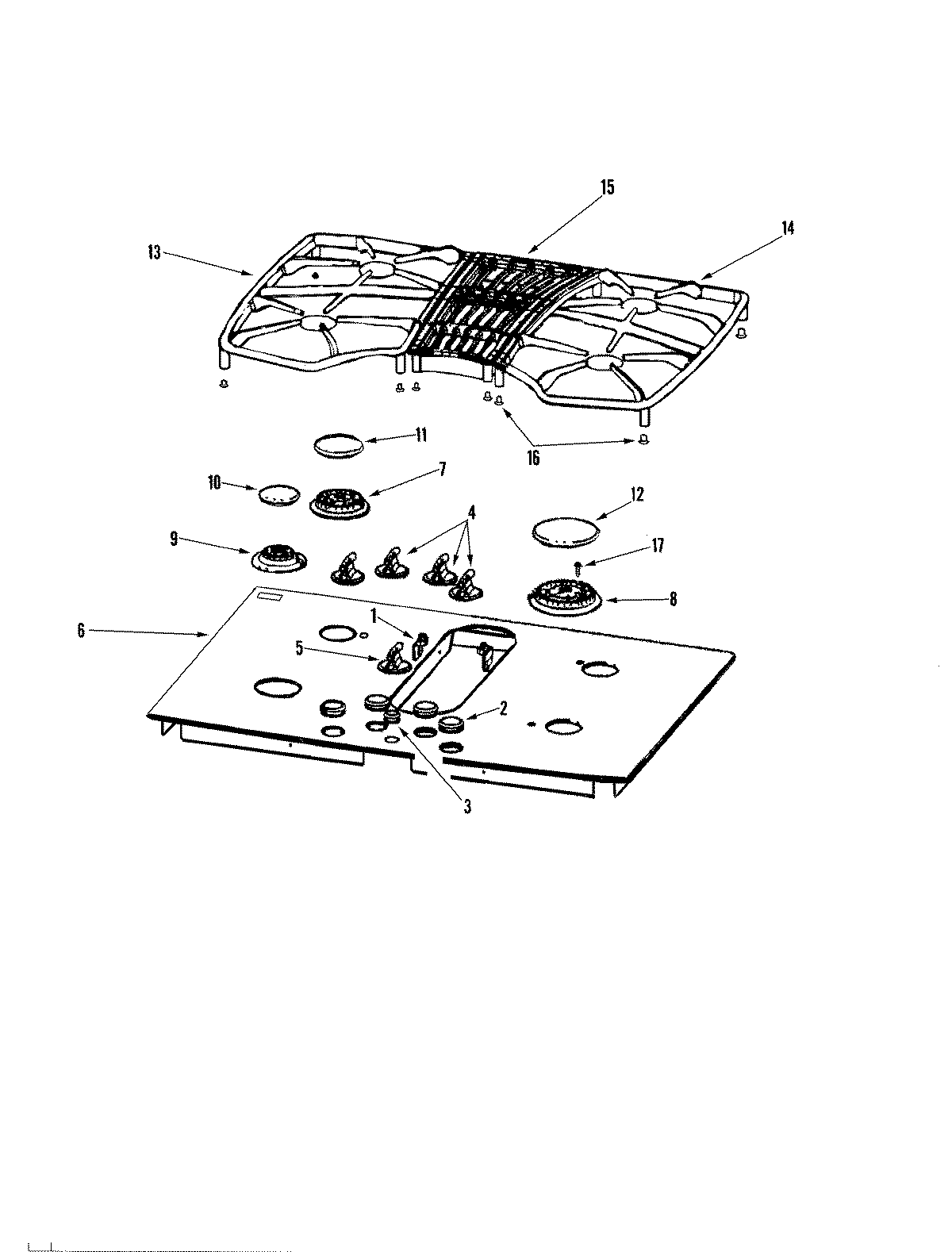
JGD8430ADN 04 – TOP ASSEMBLYadmin2025-04-26T09:03:48+00:00JGD8430ADN 04 – TOP ASSEMBLY ProductsPositionProduct174010860 Whirlpool Oven Grate Locator2WP8008P071-60 Whirlpool Grommet3WPW10293874 Whirlpool Stove Cooktop Knob Grommet4WP74009554 Whirlpool Burner Knob5MAY 740108716MAY 74010781774007735 Whirlpool Burner Assembly874007736 Whirlpool Gas Range Stove Cooktop Burner Assembly (15K)9WP7505P339-60 Whirlpool Burner Top9WP74009336 Whirlpool Oven Top Igniter10WP74007419 Whirlpool Burner Cap11WP74007751 Whirlpool Burner Cap12WP74007417 Whirlpool Burner Cap13MAY 7401086116814323 Whirlpool Range Burner Grate Foot Pads (5 Pack)17WP8273062 Whirlpool Screw