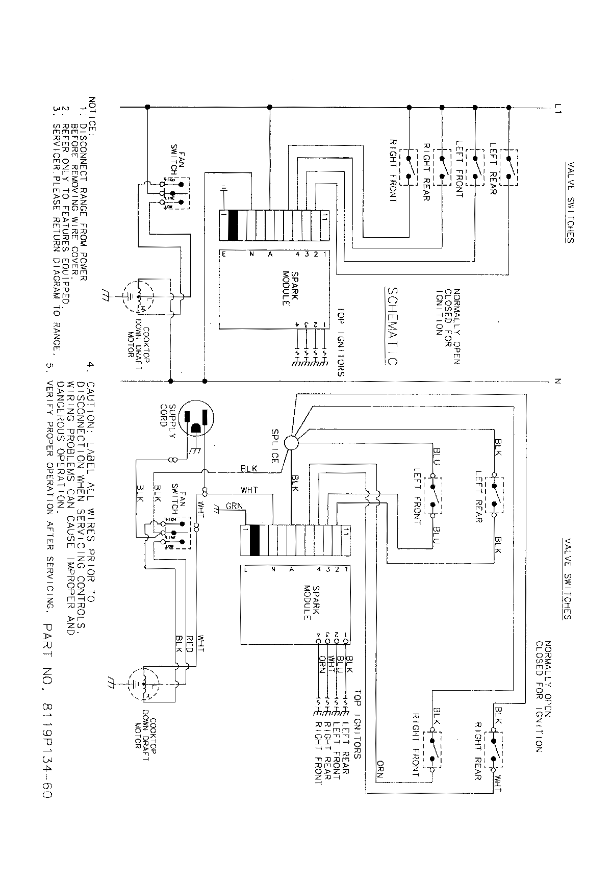
JGD8430ADN 05 – WIRING INFORMATIONadmin2025-04-26T09:04:18+00:00JGD8430ADN 05 – WIRING INFORMATION ProductsPositionProductNIMAY 15003699