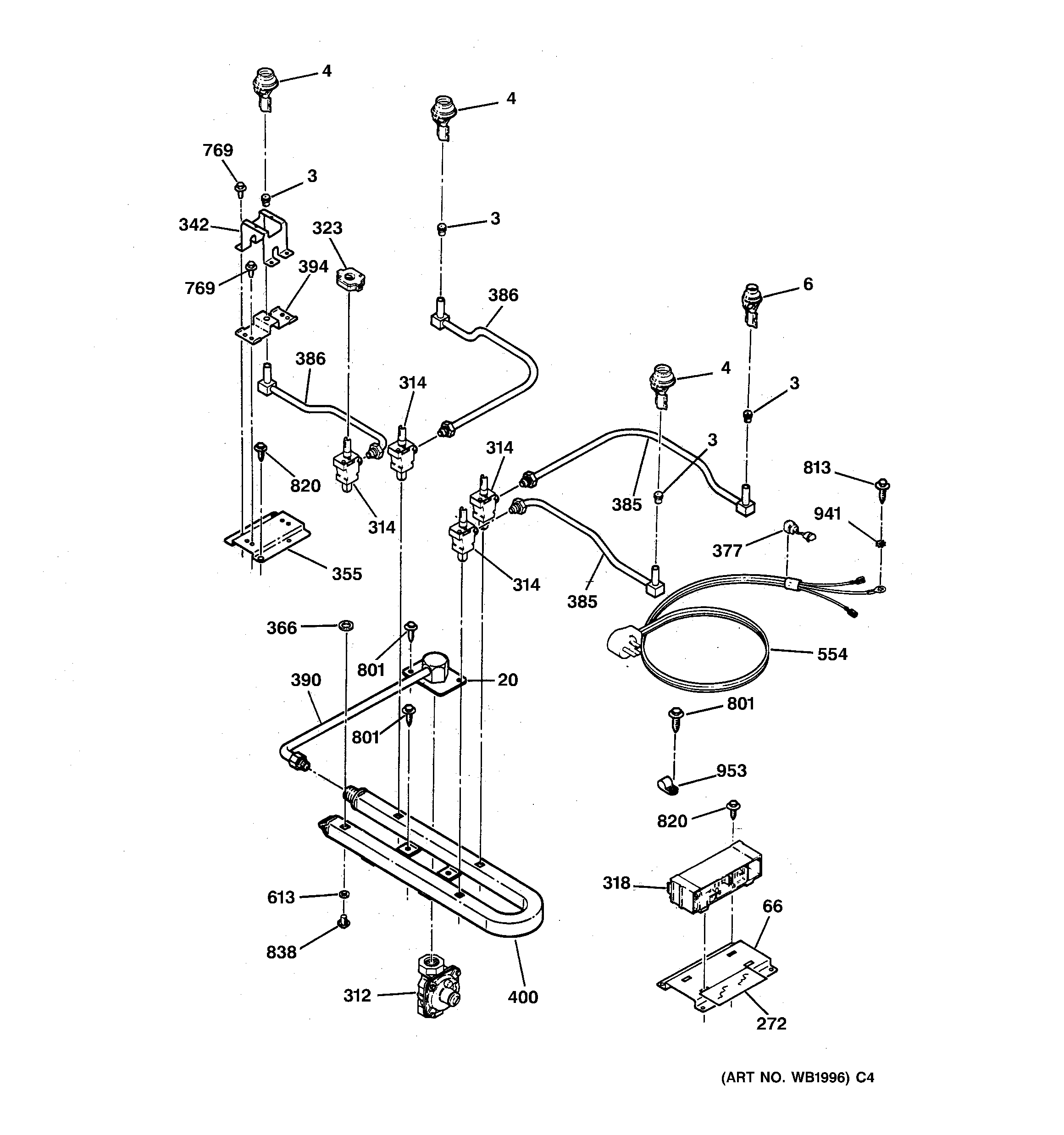
| 3 | GEN WB28K0141 |
| 3 | ORIF. SPUD (LP) MED. |
| 3 | GEN WB28K5087 |
| 3 | GEN WB28K5095 |
| 4 | GEN WB16K0013 |
| 6 | GEN WB16K0014 |
| 20 | GEN WB02K5332 |
| 66 | GEN WB34K5230 |
| 272 | WB35K5112 GE Insulator Module |
| 312 | REGULATOR CONVERT PRESS |
| 314 | VALVE-BOTH FRONT, LT RR |
| 314 | GEN WB19K5031 |
| 318 | GEN WB13K0025 |
| 323 | WB24K5083 GE Oven Valve Switch |
| 342 | BOWL BRACKET-LARGE, MED. |
| 342 | GEN WB02K5378 |
| 355 | GEN WB02K5379 |
| 366 | VALVE GASKET |
| 377 | GEN WB02K5275 |
| 385 | GEN WB28K5091 |
| 385 | GEN WB28K5088 |
| 386 | GEN WB28K5090 |
| 386 | GEN WB28K5089 |
| 390 | GEN WB28K5057 |
| 394 | GEN WB02K5370 |
| 400 | GEN WB28K5049 |
| 554 | GEN WB08K5040 |
| 613 | VALVE SCREW GASKET |
| 769 | WB1X500D GE Oven Screw Package |
| 801 | WB1M1 GE Oven Screw |
| 813 | WB1X1261 GE Oven Screw |
| 820 | WB1X1424D GE Oven Screw Package |
| 838 | GEN WB01X1121 |
| 941 | GEN WB01X1399 |
| 953 | CLIP CABLE NYLON |