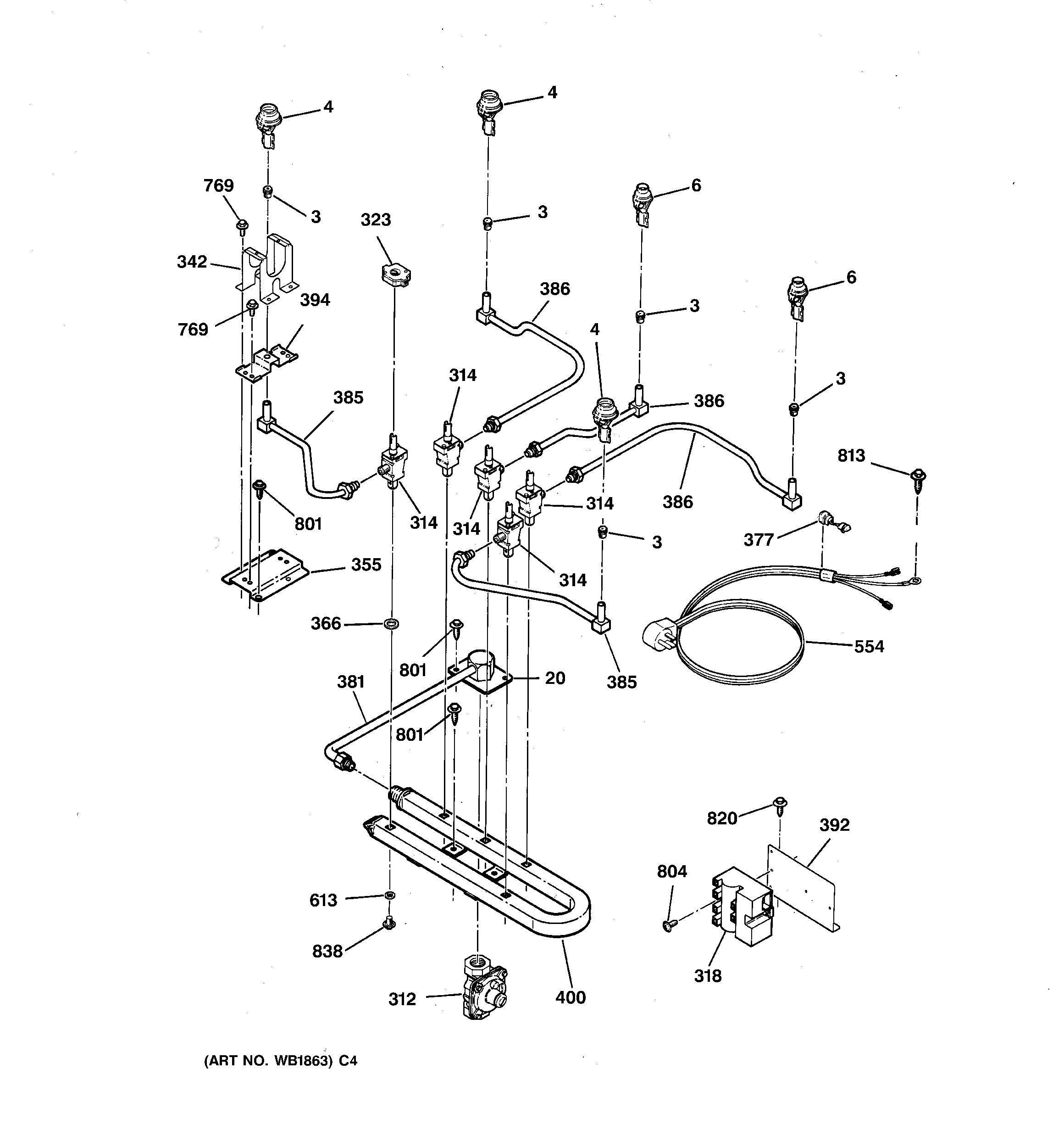
| 3 | GEN WB28K5087 |
| 3 | GEN WB28K0141 |
| 3 | ORIF. SPUD (LP) MED. |
| 3 | ORIF. SPUD LP LG |
| 3 | GEN WB28K5096 |
| 3 | GEN WB28K5095 |
| 4 | GEN WB16K0013 |
| 6 | GEN WB16K0014 |
| 20 | BRACKET RET |
| 312 | REGULATOR CONVERT PRESS |
| 314 | WB21K5030 GE Oven Gas Valve |
| 314 | GEN WB21K5032 |
| 314 | VALVE GAS RT FT/LT FT |
| 318 | WB13K5079 GE Oven Spark Module |
| 323 | WB24K5078 GE Oven Spark Ignition Switch |
| 323 | WB24K5083 GE Oven Valve Switch |
| 342 | GEN WB02K5378 |
| 342 | BOWL BRACKET-LARGE, MED. |
| 355 | GEN WB02K5379 |
| 366 | VALVE GASKET |
| 377 | GEN WB02K5275 |
| 381 | GEN WB28K5058 |
| 385 | GEN WB28K5080 |
| 385 | GEN WB28K5081 |
| 386 | GEN WB28K5082 |
| 386 | GEN WB28K5084 |
| 386 | GEN WB28K5083 |
| 392 | BRACKET MODULE (6*0) |
| 394 | GEN WB02K5370 |
| 400 | GEN WB28K5051 |
| 554 | GEN WB08K5040 |
| 613 | VALVE SCREW GASKET |
| 801 | WB1M1 GE Oven Screw |
| 804 | WB1X681 GE Oven Screw |
| 813 | WB1X1261 GE Oven Screw |
| 820 | WB1X1424D GE Oven Screw Package |
| 838 | GEN WB01X1121 |