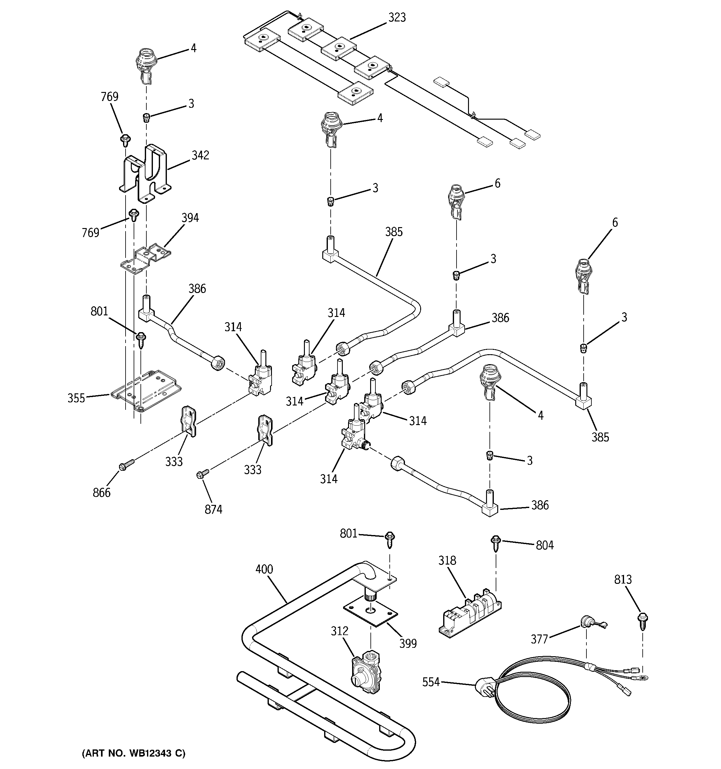
JGP636WED2WW GAS BURNER