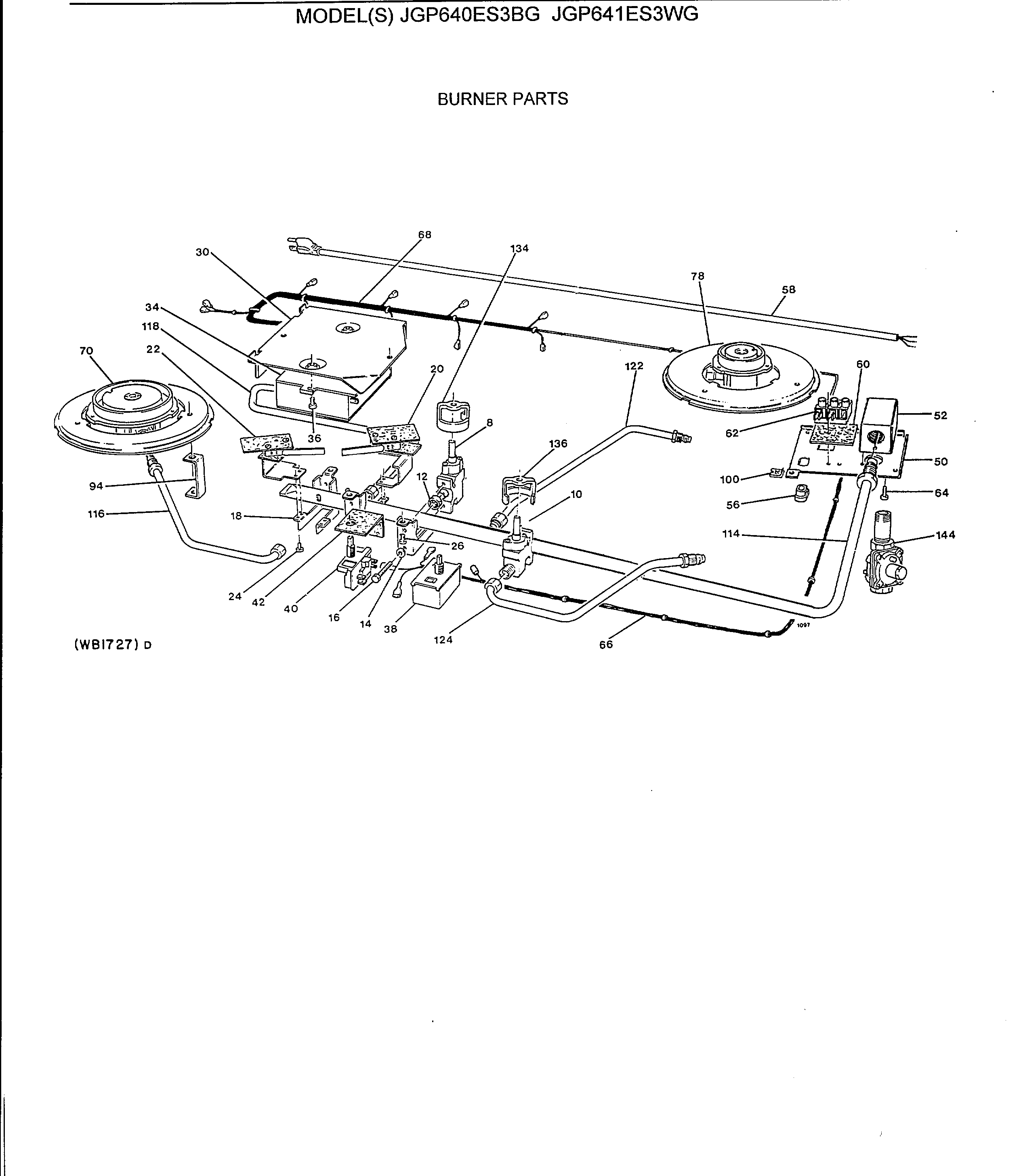
JGP640ES3BG BURNER PARTSadmin2025-04-26T08:46:11+00:00JGP640ES3BG BURNER PARTS ProductsPositionProduct8VALVE BRNR CTL (REGULAR)10VALVE BURNER CTL (LG)12"O" RING SEAL14GEN WB01X137816GEN WB01X119318GEN WB02X983220MICROSWITCH ASSEMBLY22GEN WB24X047424GEN WB01X137926GEN WB01X138030GEN WB02X983434GEN WB20X014036GEN WB01K005436GEN WB01K002438BLOWER SPEED REGULATOR40GEN WB24X047542GEN WB02X983550GEN WB02K008352GEN WB28K013956GEN WB02X983858GEN WB18X038060GEN WB02X921462GEN WB17X020864SCREW M4X866GEN WB18X038168GEN WB18K001268GEN WB18X040768GEN WB18K001168GEN WB18K000968GEN WB18K000870GEN WB28X011978GEN WB28X012094GEN WB02X9846100WB1K2 GE Oven Speednut114MANIFOLD PIPE116GEN WB02X9849118GEN WB02X9850122GEN WB02X9848124GEN WB02X9852134GEN WB02X9855136GEN WB02X9856144GEN WB21X0516