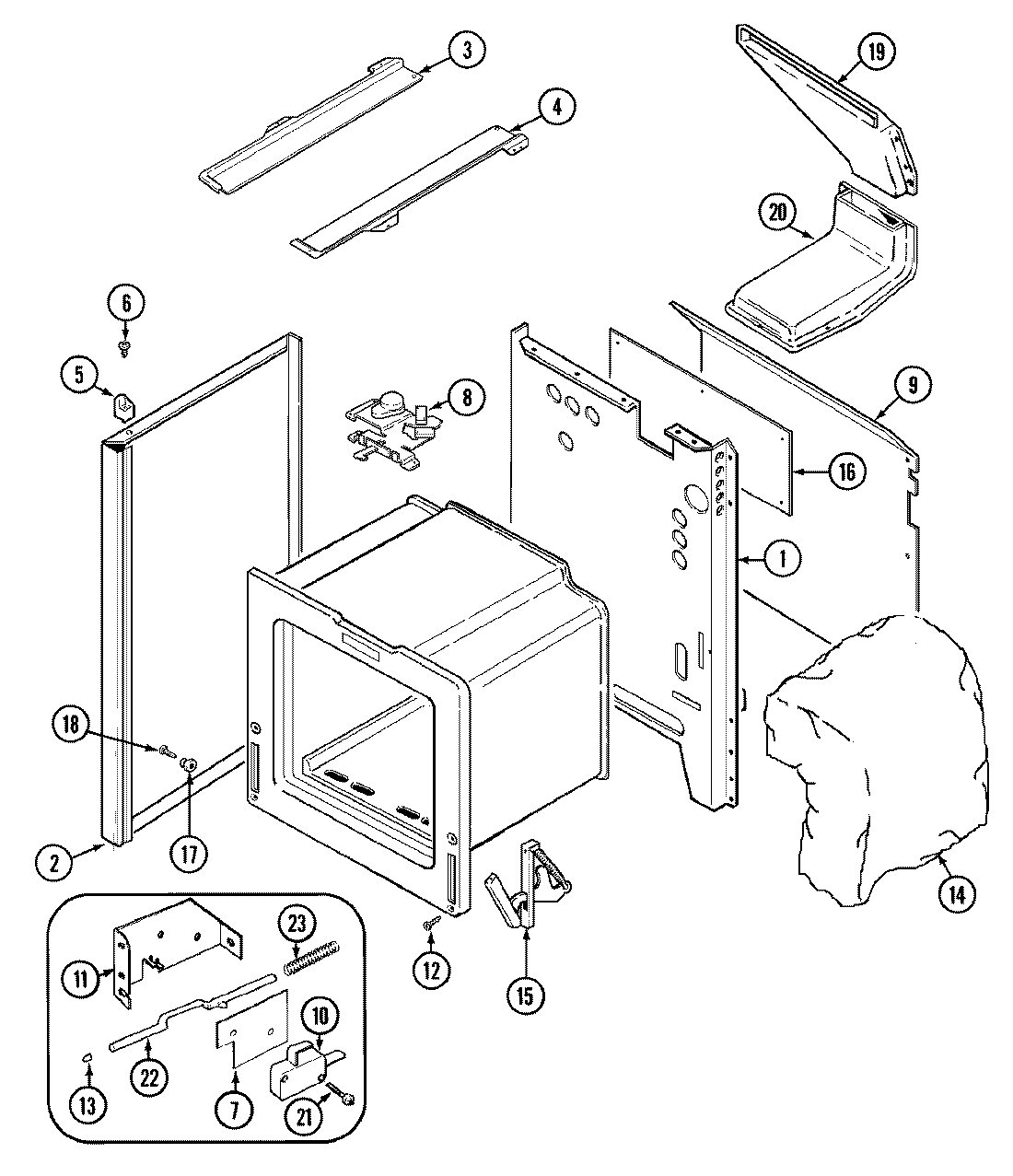
JGR8750ADB 01 – BODY