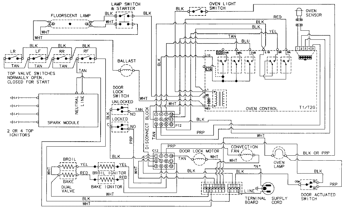
JGR8750ADB 07 – WIRING INFORMATIONadmin2025-04-26T09:04:47+00:00JGR8750ADB 07 – WIRING INFORMATION ProductsPositionProductNIMAY 15002275