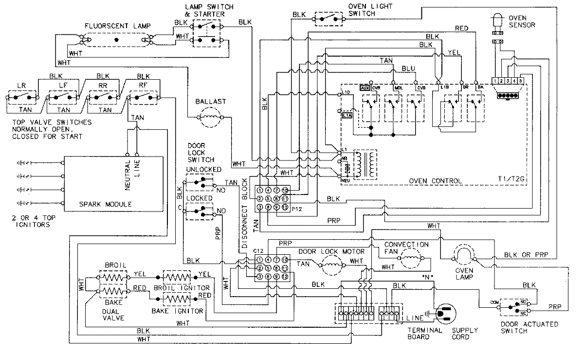
JGR8750ADQ 05 – WIRING INFORMATIONadmin2025-04-26T09:02:54+00:00JGR8750ADQ 05 – WIRING INFORMATION ProductsPositionProductNIMAY 15002275