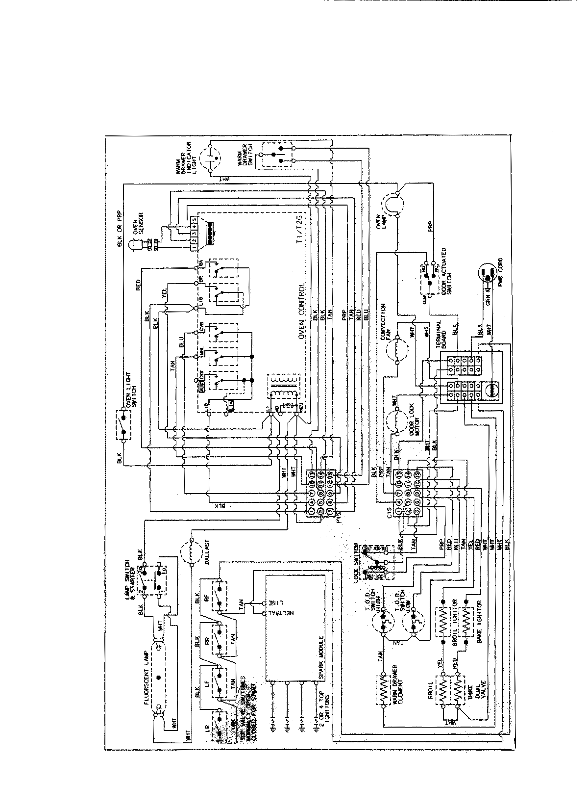
JGR8750BDB 07 – WIRING INFORMATIONadmin2025-04-26T09:02:45+00:00JGR8750BDB 07 – WIRING INFORMATION ProductsPositionProductNIMAY 15002892