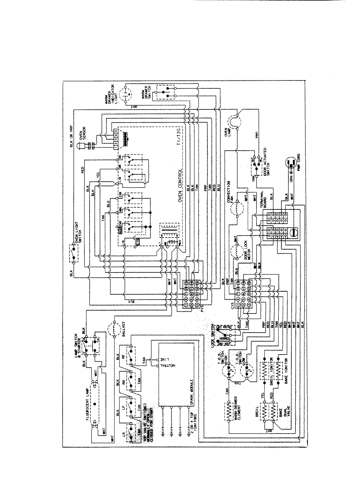
JGR8750BDQ 07 – WIRING INFORMATIONadmin2025-04-26T09:03:52+00:00JGR8750BDQ 07 – WIRING INFORMATION ProductsPositionProductNIMAY 15002892