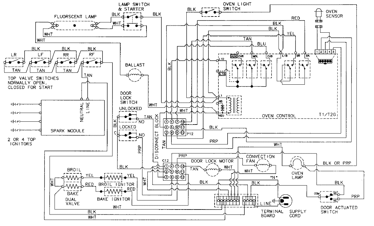
JGR8850ADA 07 – WIRING INFORMATION

JGR8850ADA 07 – WIRING INFORMATION

Products

PositionProduct
NIMAY 15002275