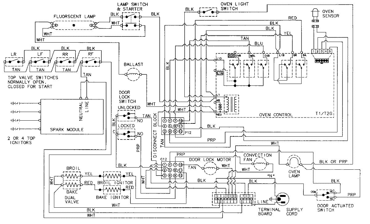
JGR8850ADB 07 – WIRING INFORMATIONadmin2025-04-26T09:03:09+00:00JGR8850ADB 07 – WIRING INFORMATION ProductsPositionProductNIMAY 15002275