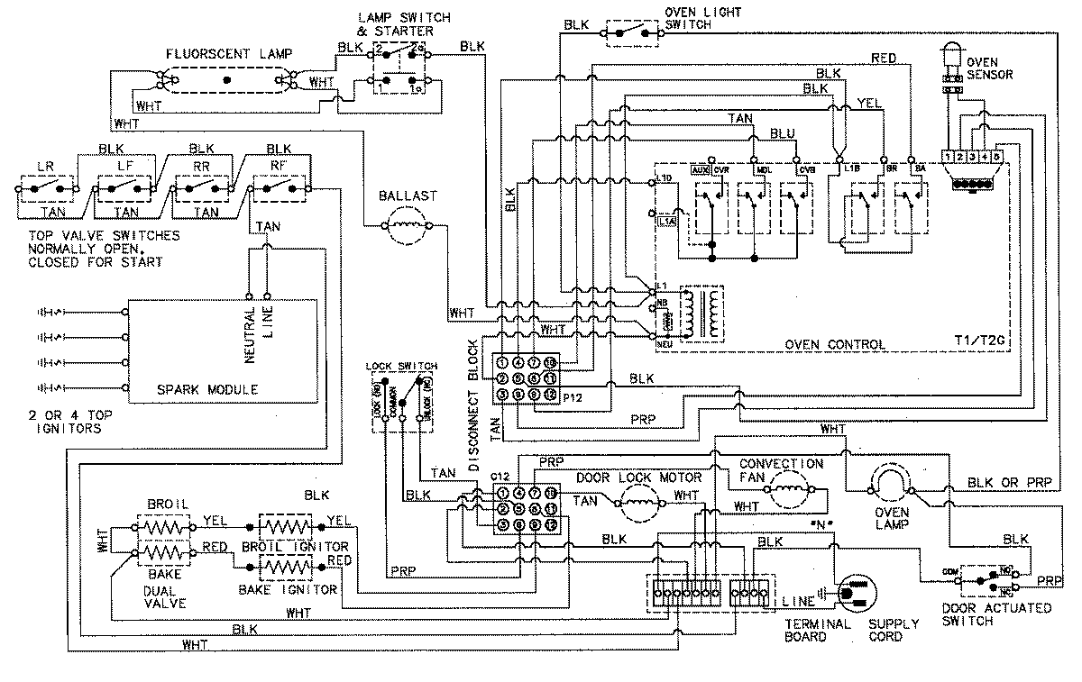
JGR8850ADB 08 – WIRING INFORMATIONadmin2025-04-26T09:03:39+00:00JGR8850ADB 08 – WIRING INFORMATION ProductsPositionProductNIMAY 15002784