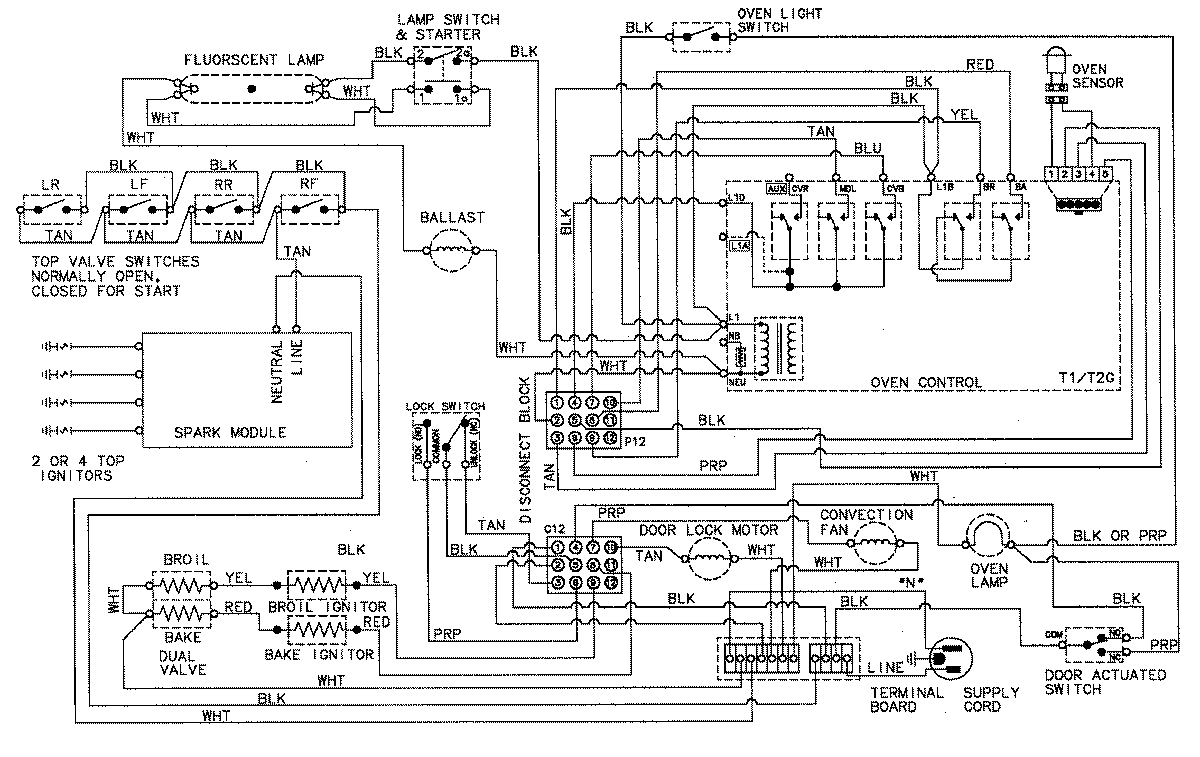
JGR8850ADQ 08 – WIRING INFORMATIONadmin2025-04-26T09:04:08+00:00JGR8850ADQ 08 – WIRING INFORMATION ProductsPositionProductNIMAY 15002784