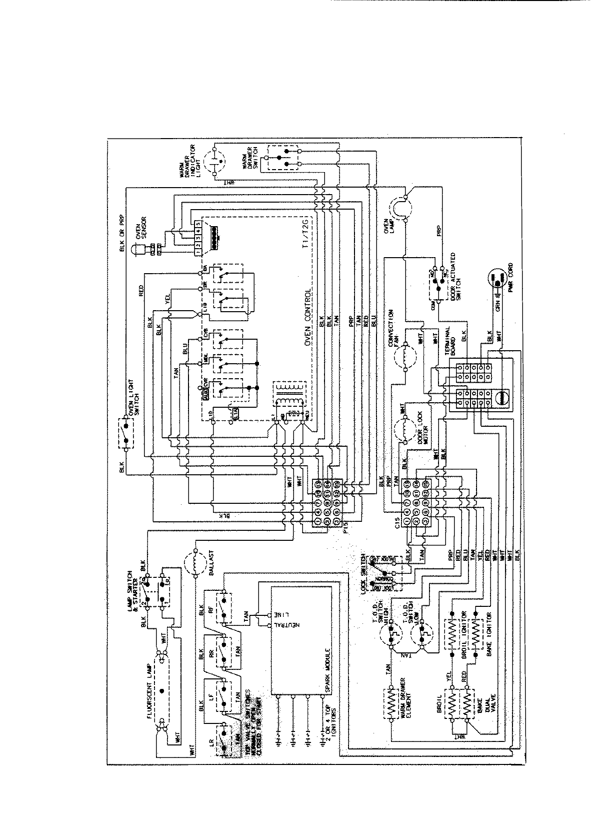
JGR8850BDB 07 – WIRING INFORMATIONadmin2025-04-26T09:20:59+00:00JGR8850BDB 07 – WIRING INFORMATION ProductsPositionProductNIMAY 15002892