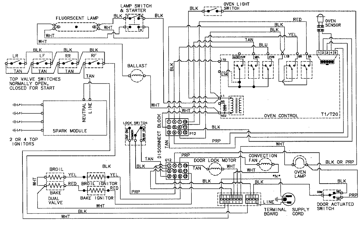
JGR8855ADS 08 – WIRING INFORMATION

JGR8855ADS 08 – WIRING INFORMATION

Products

PositionProduct
NIMAY 15002806