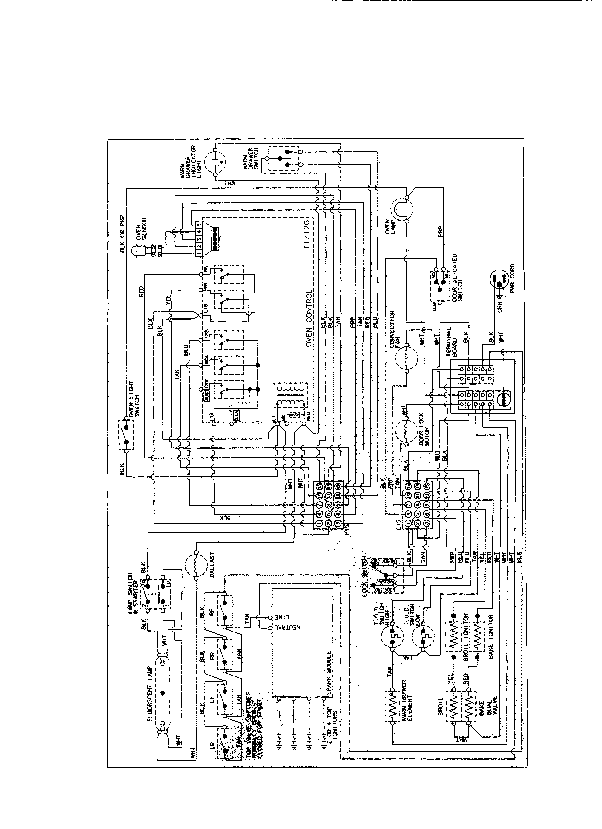
JGR8855BDS 07 – WIRING INFORMATIONadmin2025-04-26T09:20:45+00:00JGR8855BDS 07 – WIRING INFORMATION ProductsPositionProductNIMAY 15002892