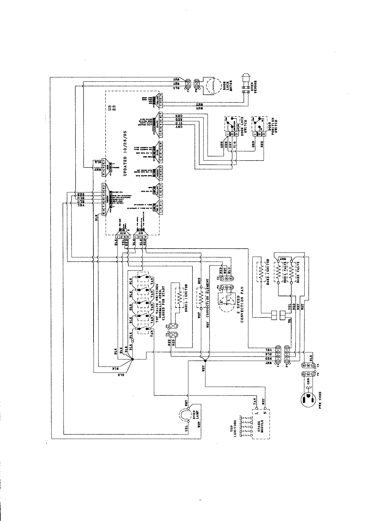
JGR8875RDB 07 – WIRING INFORMATIONadmin2025-04-26T09:22:13+00:00JGR8875RDB 07 – WIRING INFORMATION ProductsPositionProductNIMAY 8119P373-60