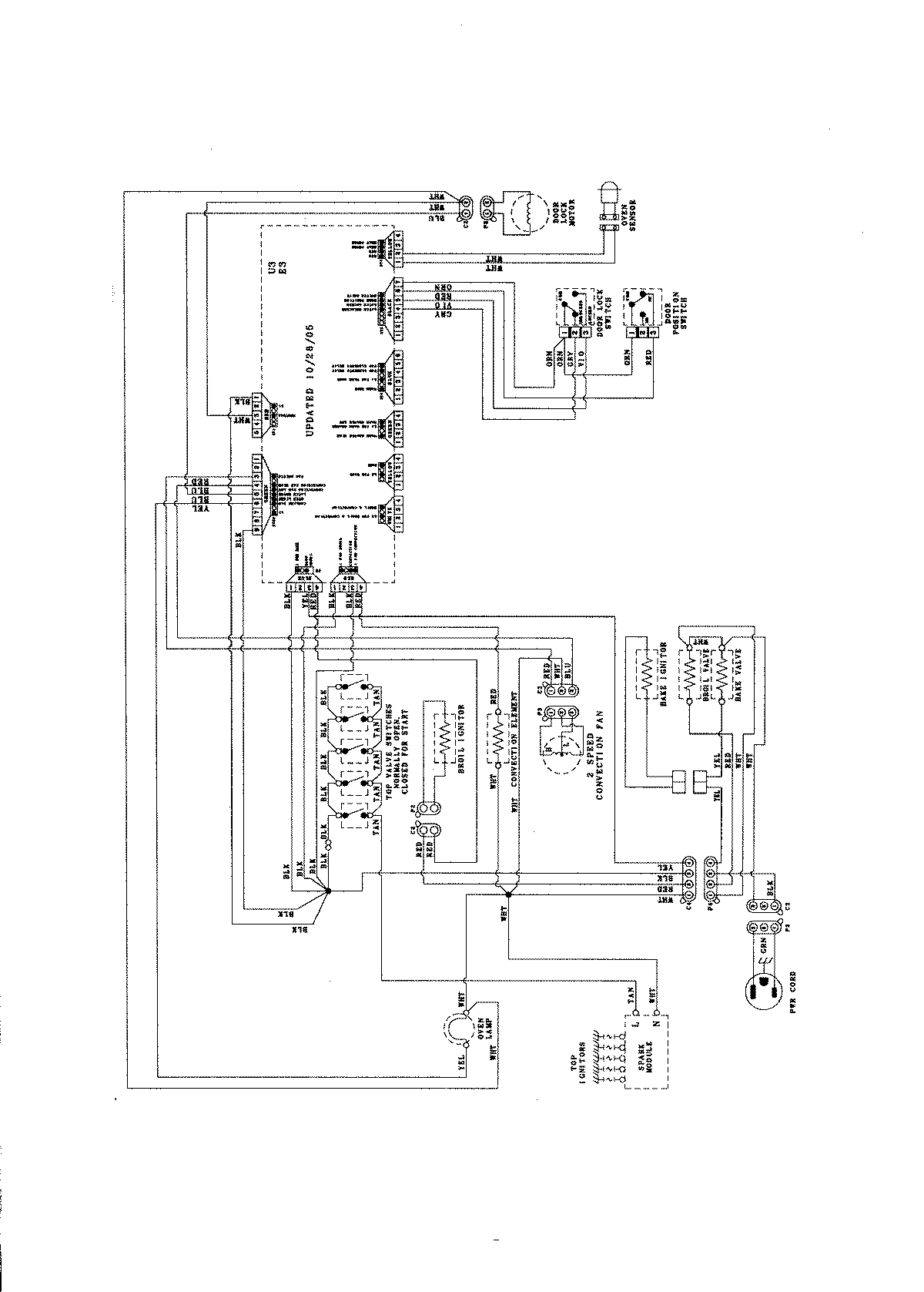
JGR8875RDS 07 – WIRING INFORMATIONadmin2025-04-26T09:21:20+00:00JGR8875RDS 07 – WIRING INFORMATION ProductsPositionProductNIMAY 8119P373-60