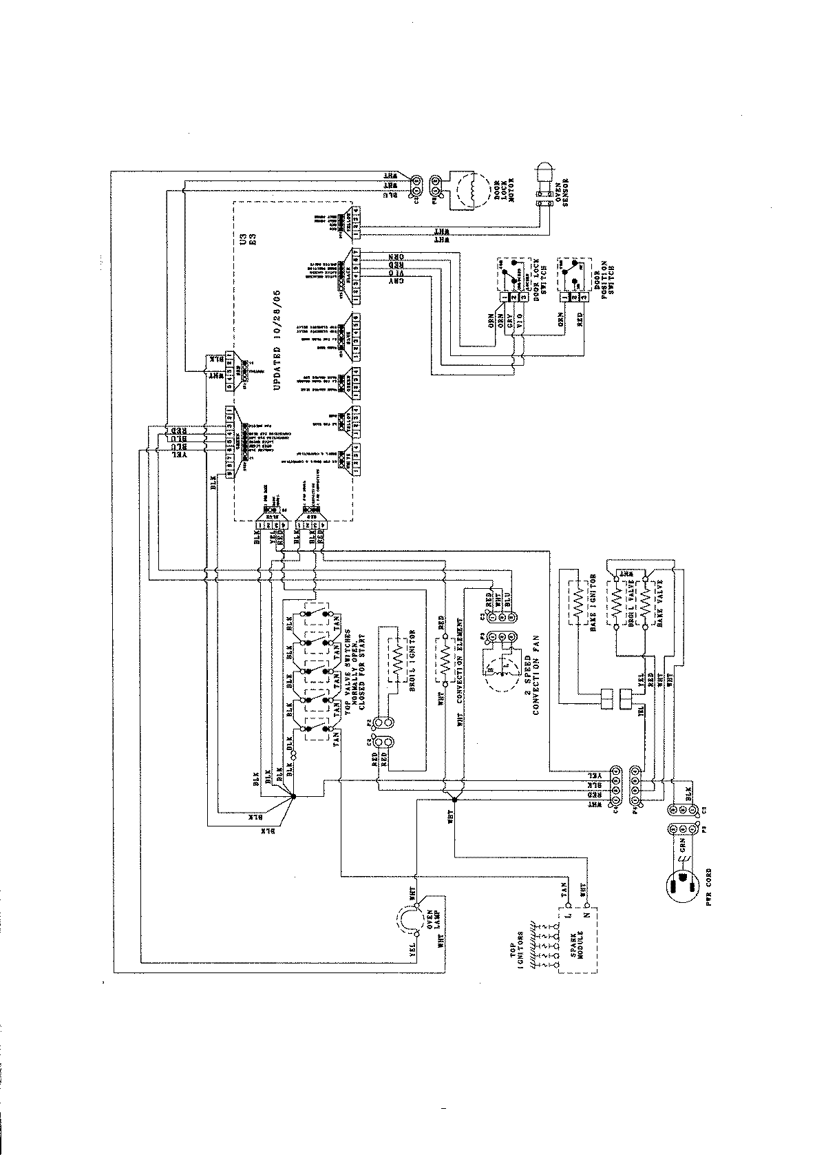
JGR8875RDW 07 – WIRING INFORMATIONadmin2025-04-26T09:19:47+00:00JGR8875RDW 07 – WIRING INFORMATION ProductsPositionProductNIMAY 8119P373-60