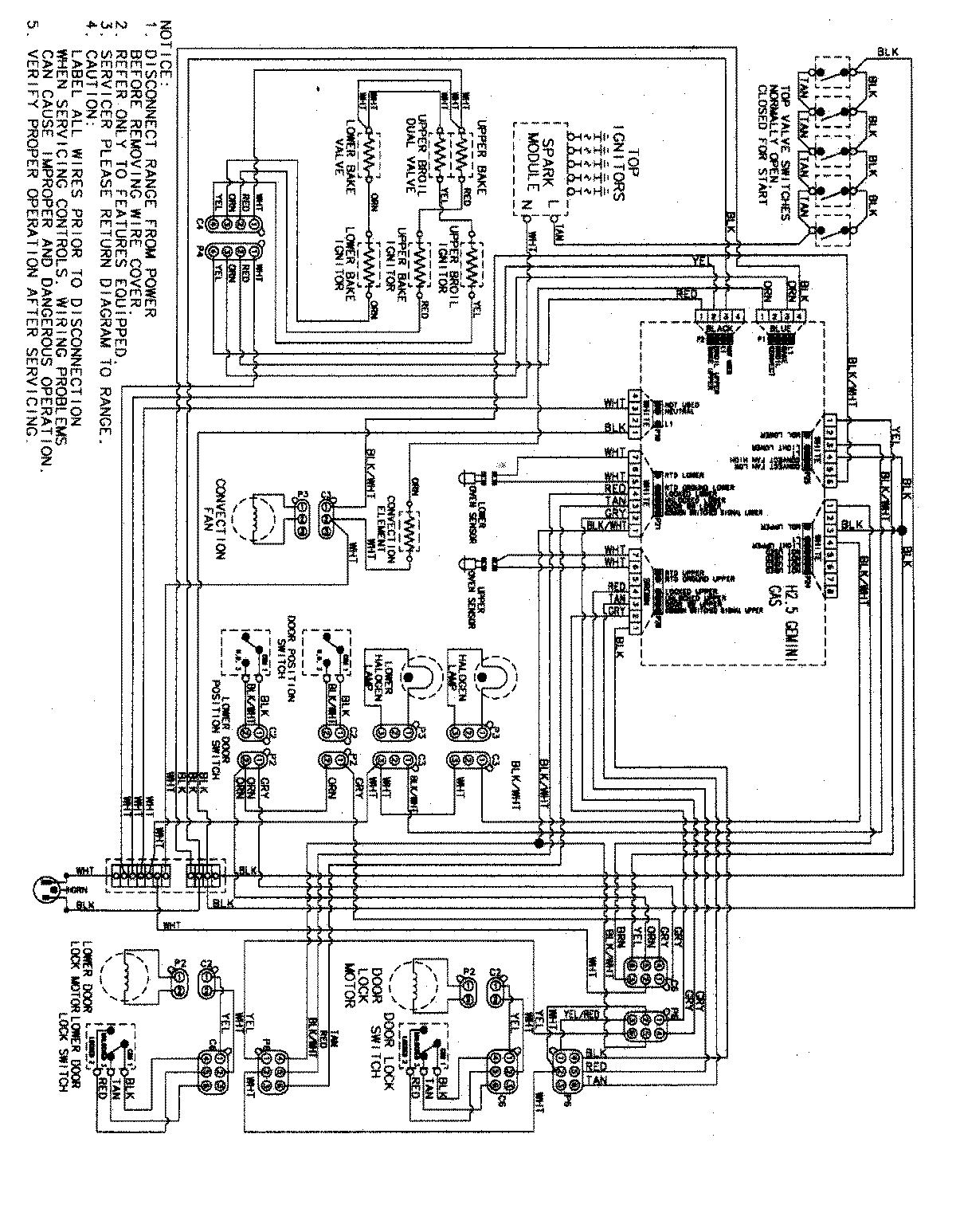
JGR8890ADP 08 – WIRING INFORMATIONadmin2025-04-26T09:20:04+00:00JGR8890ADP 08 – WIRING INFORMATION ProductsPositionProductNIMAY 15003762