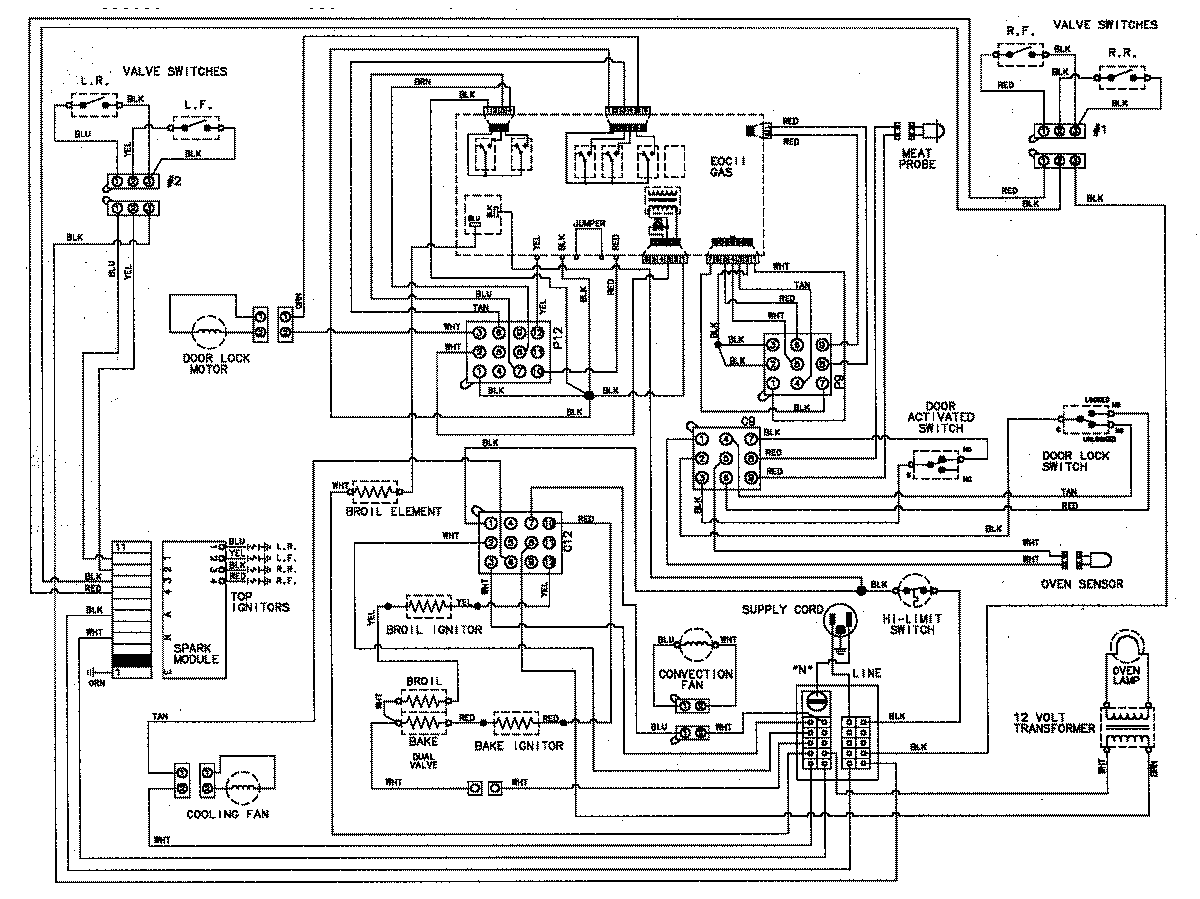
JGS8850ADB 06 – WIRING INFORMATIONadmin2025-04-26T09:21:38+00:00JGS8850ADB 06 – WIRING INFORMATION ProductsPositionProductNIMAY 15002820