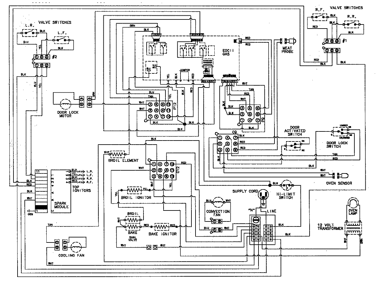
JGS8850ADS 06 – WIRING INFORMATION

JGS8850ADS 06 – WIRING INFORMATION

Products

PositionProduct
NIMAY 15002820