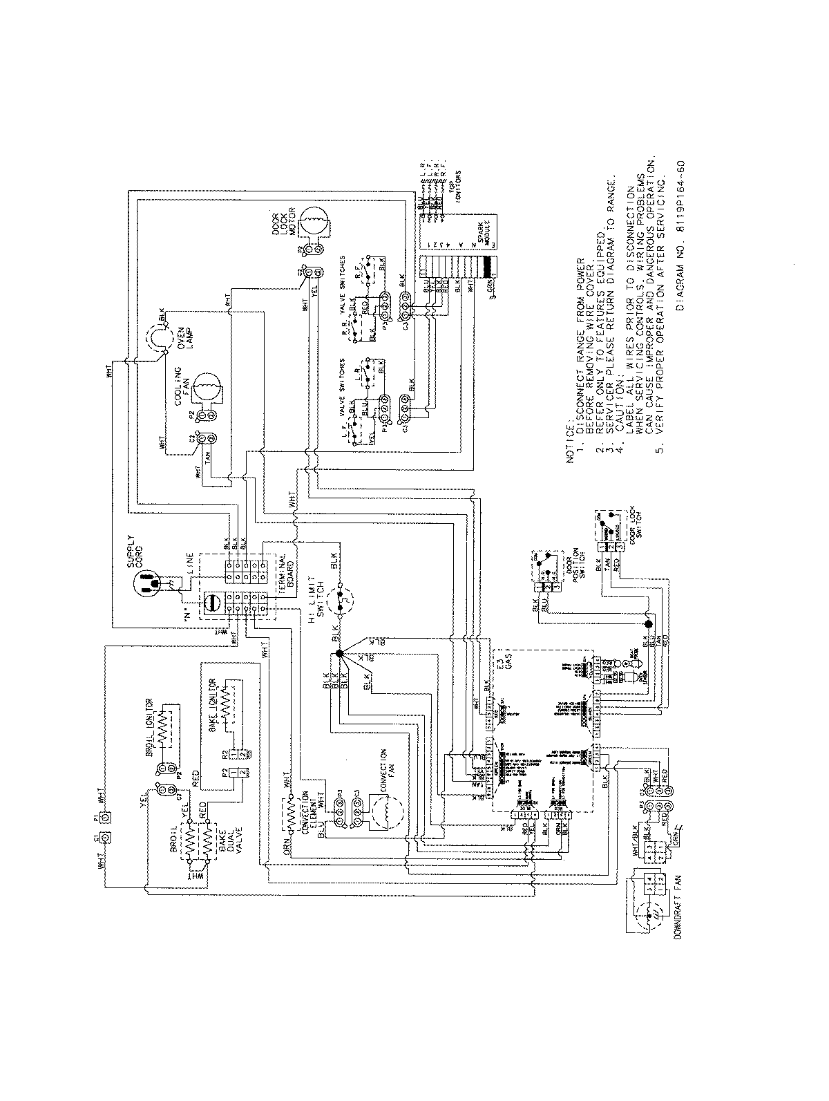
JGS9900BDF 08 – WIRING INFORMATIONadmin2025-04-26T09:22:58+00:00JGS9900BDF 08 – WIRING INFORMATION ProductsPositionProductNIMAY 15003899