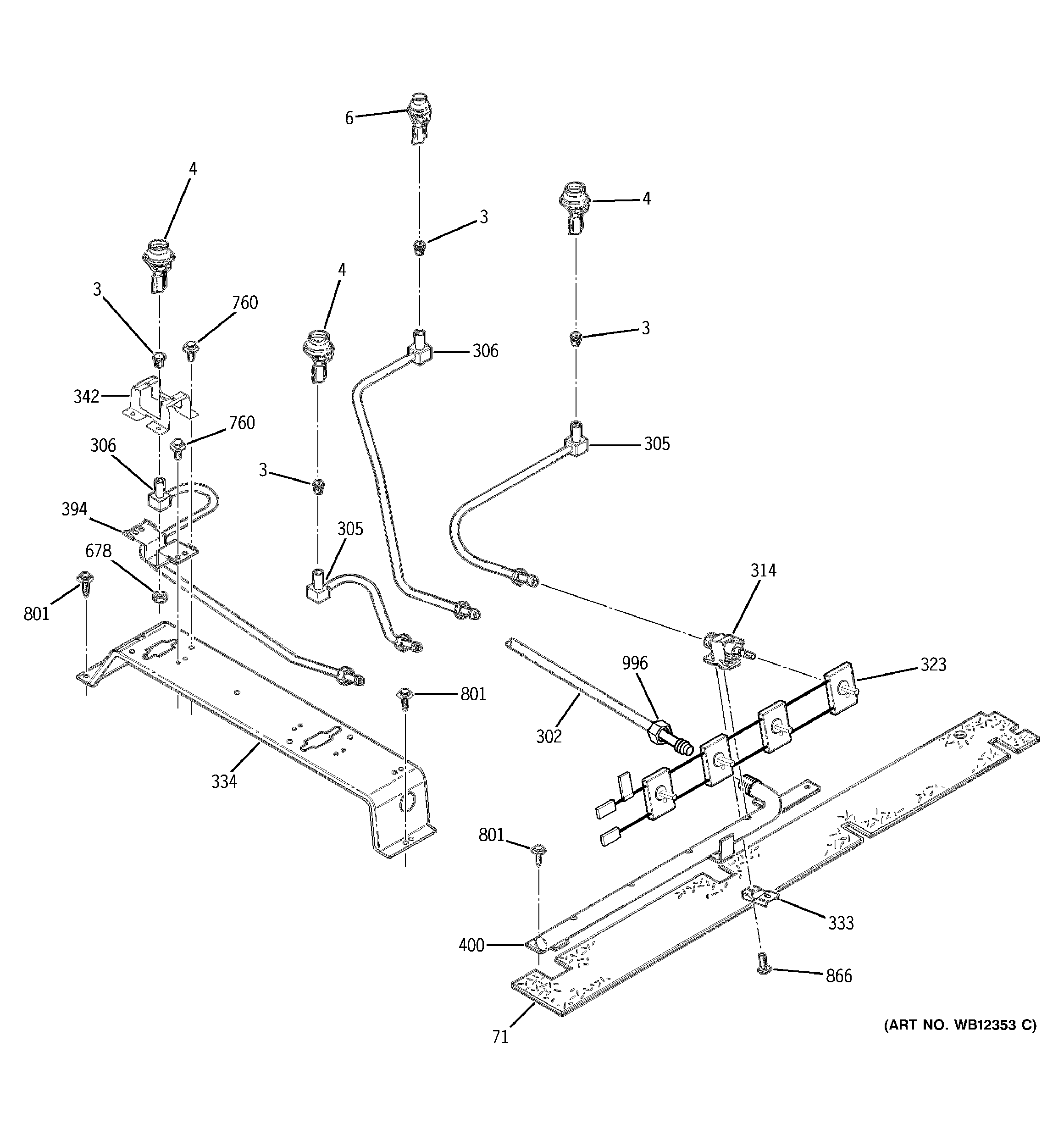
JGSP23BEY4BB SURFACE BURNERadmin2025-04-26T08:45:16+00:00JGSP23BEY4BB SURFACE BURNER ProductsPositionProduct3GEN WB28K01413ORIF. SPUD (LP) MED.3GEN WB28K50873GEN WB28K50954GEN WB16K00136GEN WB16K001471GEN WB35K513471GEN WB35T10007302GEN WB28T10003305GEN WB28K5074305GEN WB28K5070306GEN WB28K5072306GEN WB28K5073314GEN WB19K5027314GEN WB19K5028323GEN WB18T10241333WB6X93 GE Oven Clamp334GEN WB02K5361342BOWL BRACKET, SMALL342BOWL BRACKET, LARGE-MED394GEN WB02K5367400GEN WB28T10001678GEN WB01K5196760WB1X536 GE Oven Screw801WB1M1 GE Oven Screw866GEN WB01X1428996GEN WB01T10005