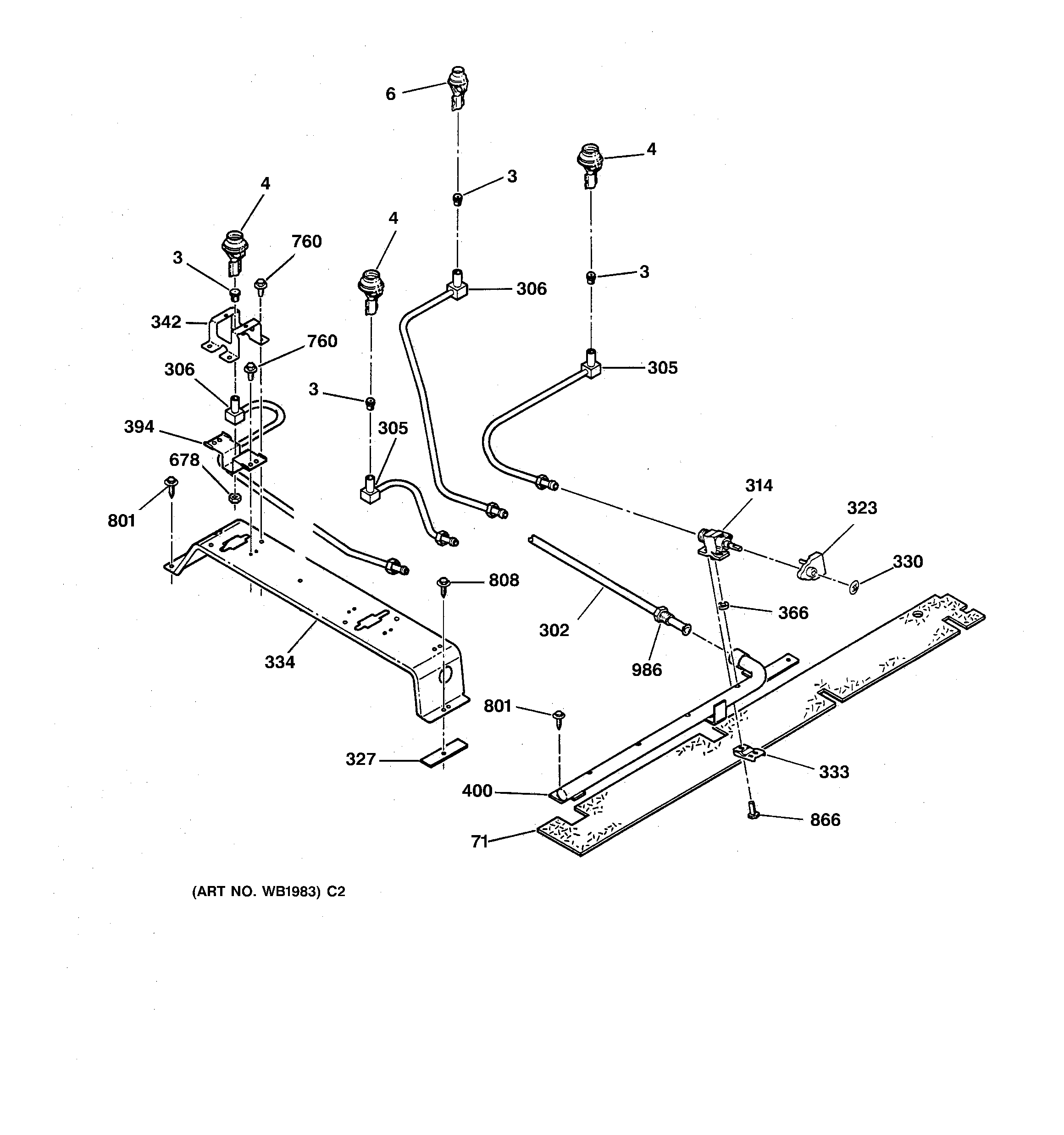
JGSP33WEV3WW UPPER BURNER PARTSadmin2025-04-26T08:44:59+00:00JGSP33WEV3WW UPPER BURNER PARTS ProductsPositionProduct3GEN WB28K50953GEN WB28K01413ORIF. SPUD (LP) MED.3ORIF. SPUD LP LG3GEN WB28K50873GEN WB28K50964GEN WB16K00136GEN WB16K001471GEN WB35K5107302GEN WB28K5019305GEN WB28K5070305GEN WB28K5071306GEN WB28K5072306GEN WB28K5073314GEN WB19K5027314GEN WB19K5028323WB24T10071 GE Oven Gas Valve Spark Ignition Switch327GEN WB06X0100330GEN WB02K5125333WB6X93 GE Oven Clamp334GEN WB02K5361342BOWL BRACKET, SMALL342BOWL BRACKET, LARGE-MED366VALVE GASKET394GEN WB02K5367400GEN WB28K5008678GEN WB01K5196760WB1X536 GE Oven Screw801WB1M1 GE Oven Screw808WB1X1116 GE Oven Screw866GEN WB01X1428986NUT