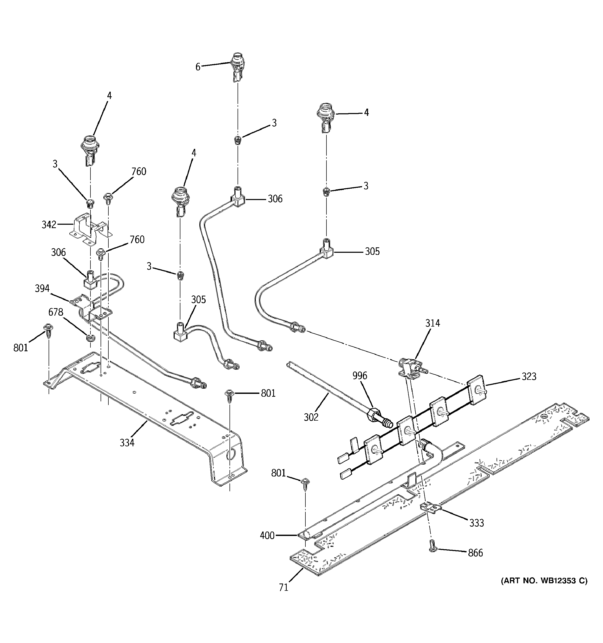
JGSP44BEY3BB SURFACE BURNERadmin2025-04-26T08:45:14+00:00JGSP44BEY3BB SURFACE BURNER ProductsPositionProduct3GEN WB28K50963GEN WB28K01413ORIF. SPUD (LP) MED.3ORIF. SPUD LP LG3GEN WB28K50873GEN WB28K50954GEN WB16K00136GEN WB16K001471GEN WB35T1000771GEN WB35K5134302GEN WB28T10003305GEN WB28K5070305GEN WB28K5071306GEN WB28K5072306GEN WB28K5073314GEN WB19K5027314GEN WB19K5028323GEN WB18T10241333WB6X93 GE Oven Clamp334GEN WB02K5361342BOWL BRACKET, LARGE-MED342BOWL BRACKET, SMALL394GEN WB02K5367400GEN WB28T10001678GEN WB01K5196760WB1X536 GE Oven Screw801WB1M1 GE Oven Screw866GEN WB01X1428996GEN WB01T10005