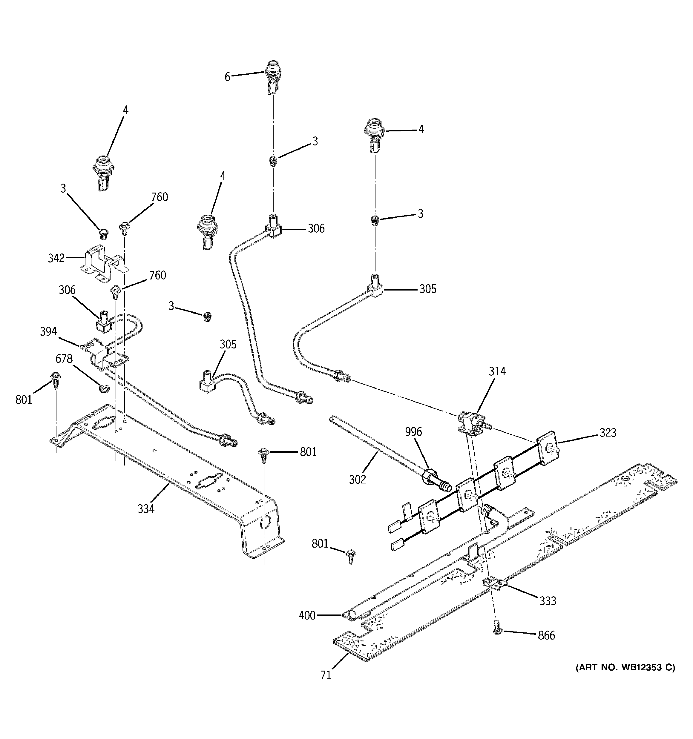
JGSP44WEY8WW SURFACE BURNER