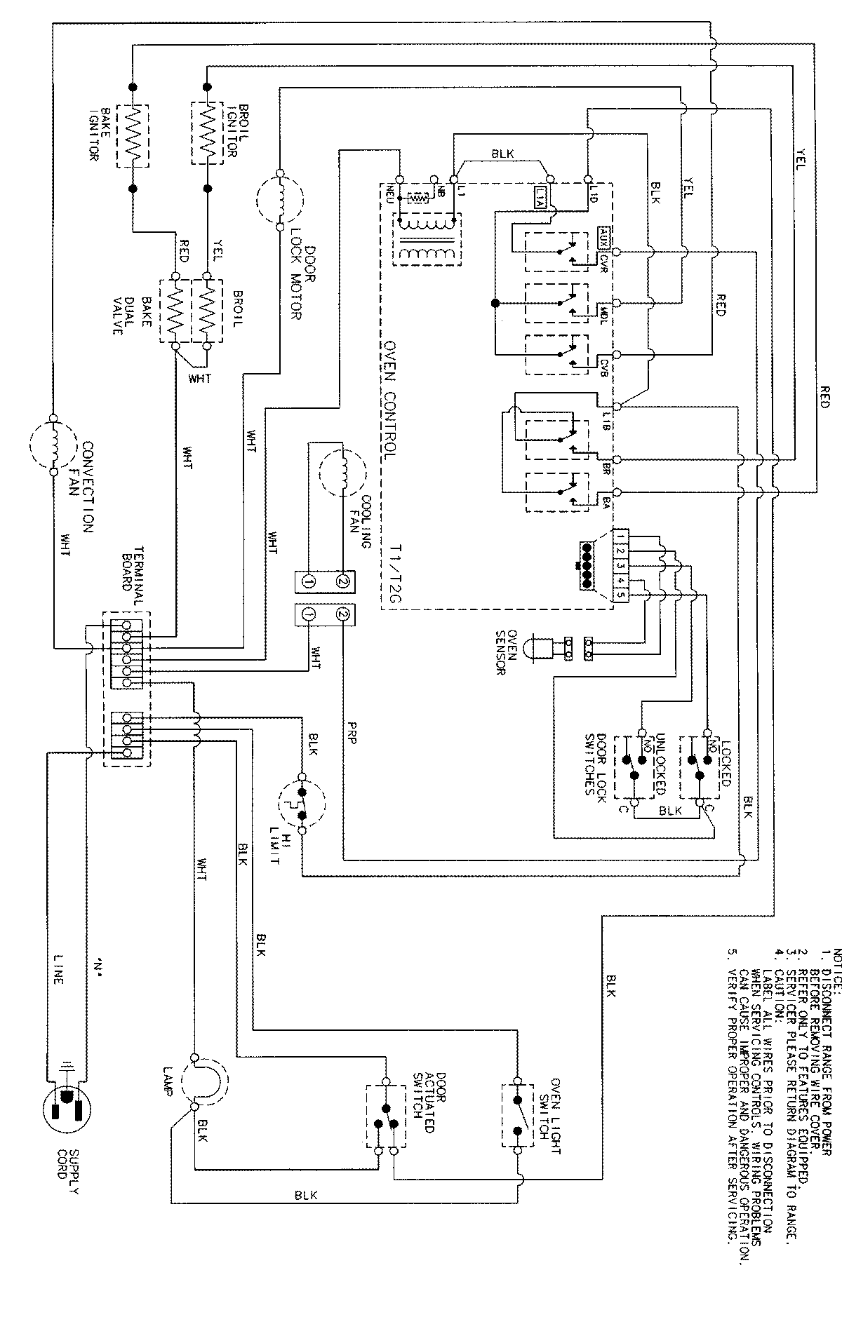
JGW8130ADB 07 – WIRING INFORMATIONadmin2025-04-26T09:23:33+00:00JGW8130ADB 07 – WIRING INFORMATION ProductsPositionProductNIMAY 15002559