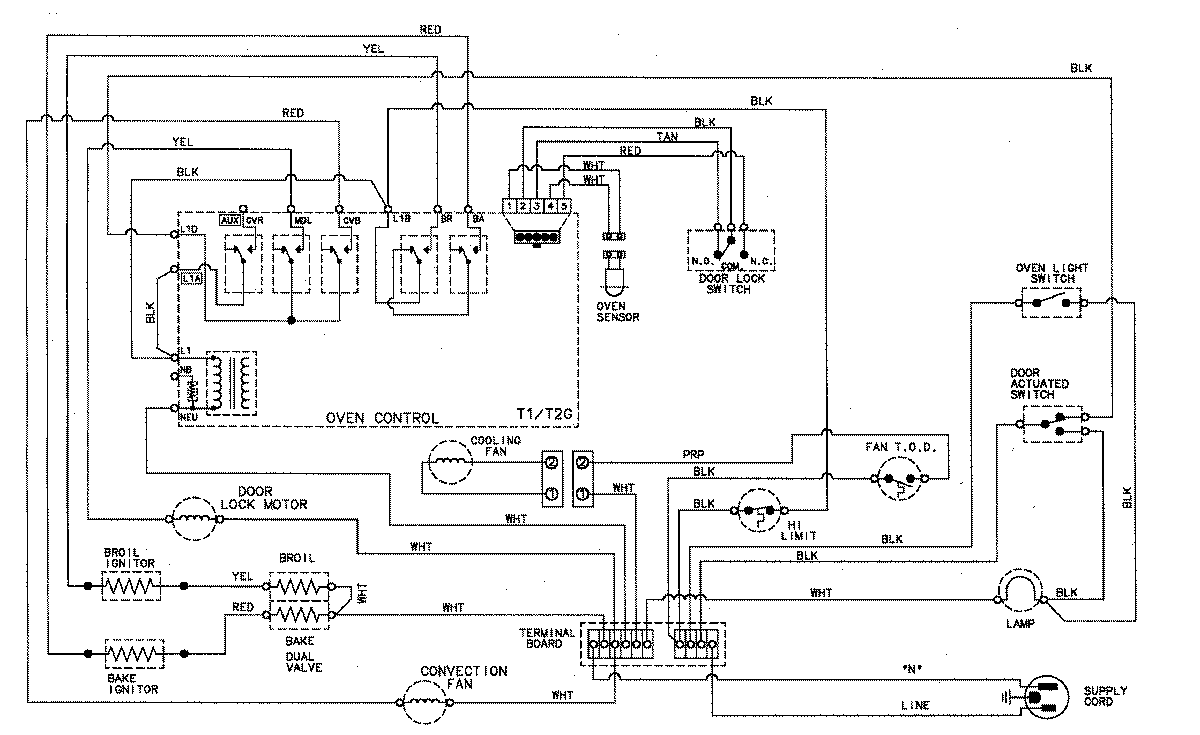
JGW8130ADB 08 – WIRING INFORMATIONadmin2025-04-26T09:23:23+00:00JGW8130ADB 08 – WIRING INFORMATION ProductsPositionProductNIMAY 15002794