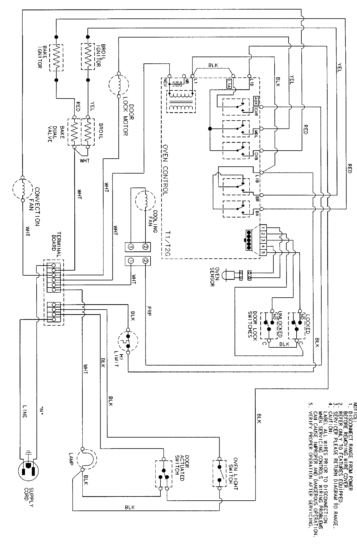
JGW8130ADW 07 – WIRING INFORMATIONadmin2025-04-26T09:24:21+00:00JGW8130ADW 07 – WIRING INFORMATION ProductsPositionProductNIMAY 15002559