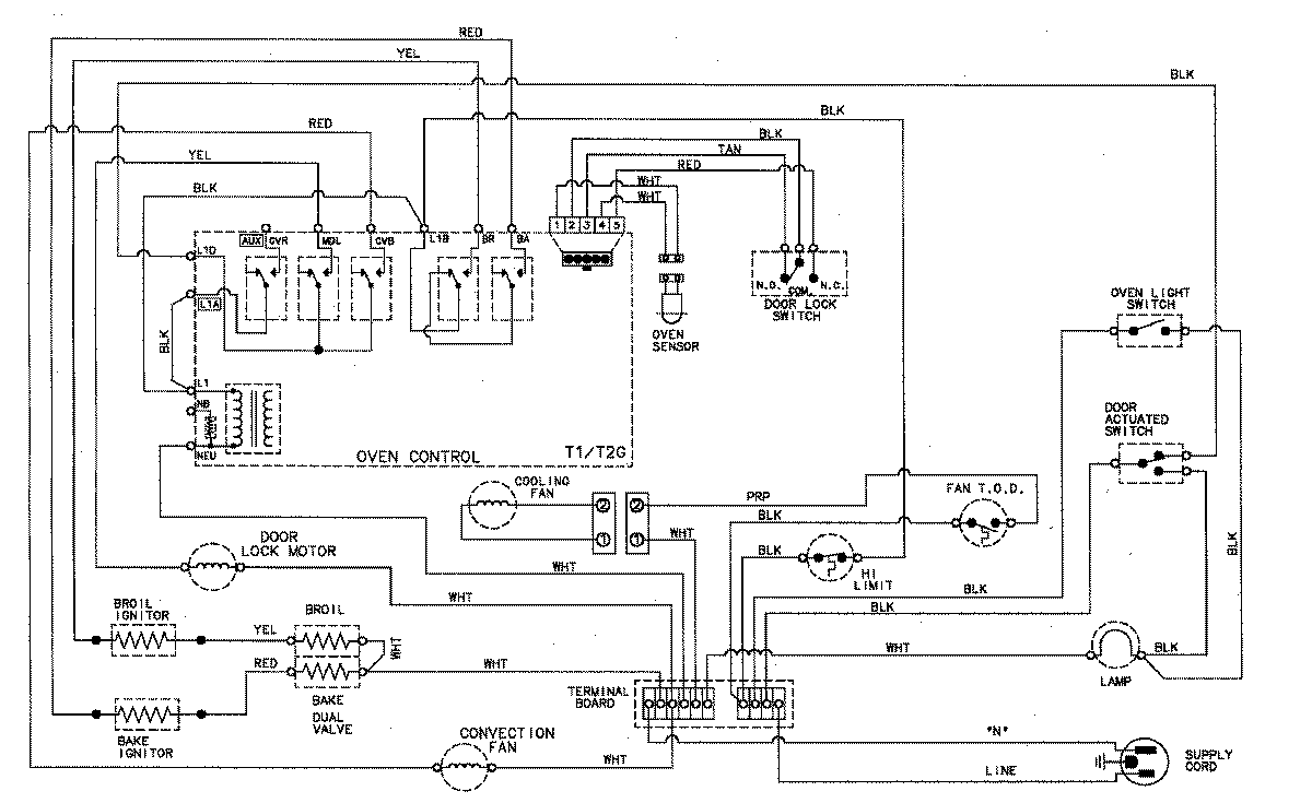
JGW8130ADW 08 – WIRING INFORMATIONadmin2025-04-26T09:22:55+00:00JGW8130ADW 08 – WIRING INFORMATION ProductsPositionProductNIMAY 15002794