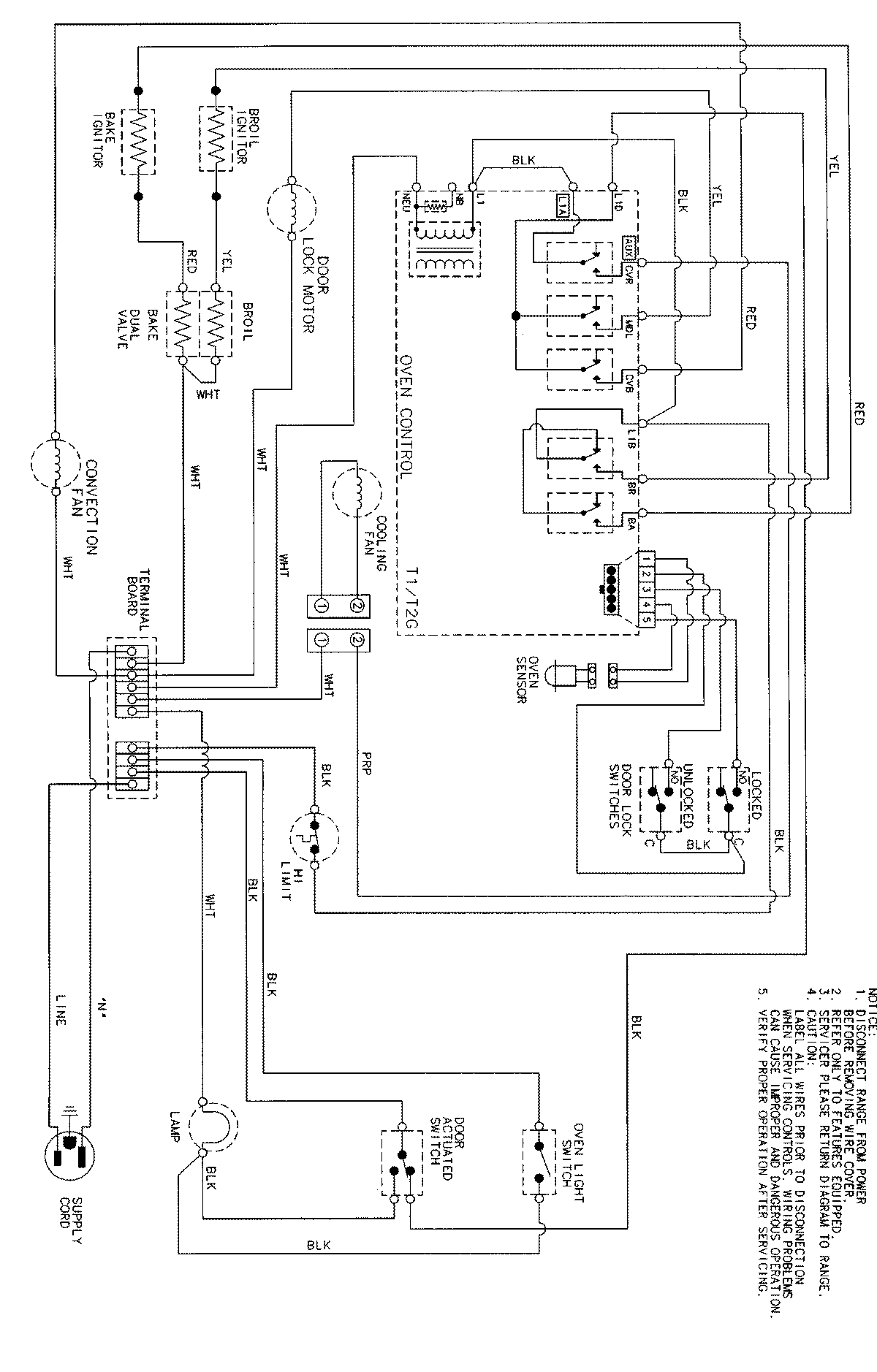
JGW9130ADB 07 – WIRING INFORMATIONadmin2025-04-26T09:22:34+00:00JGW9130ADB 07 – WIRING INFORMATION ProductsPositionProductNIMAY 15002559