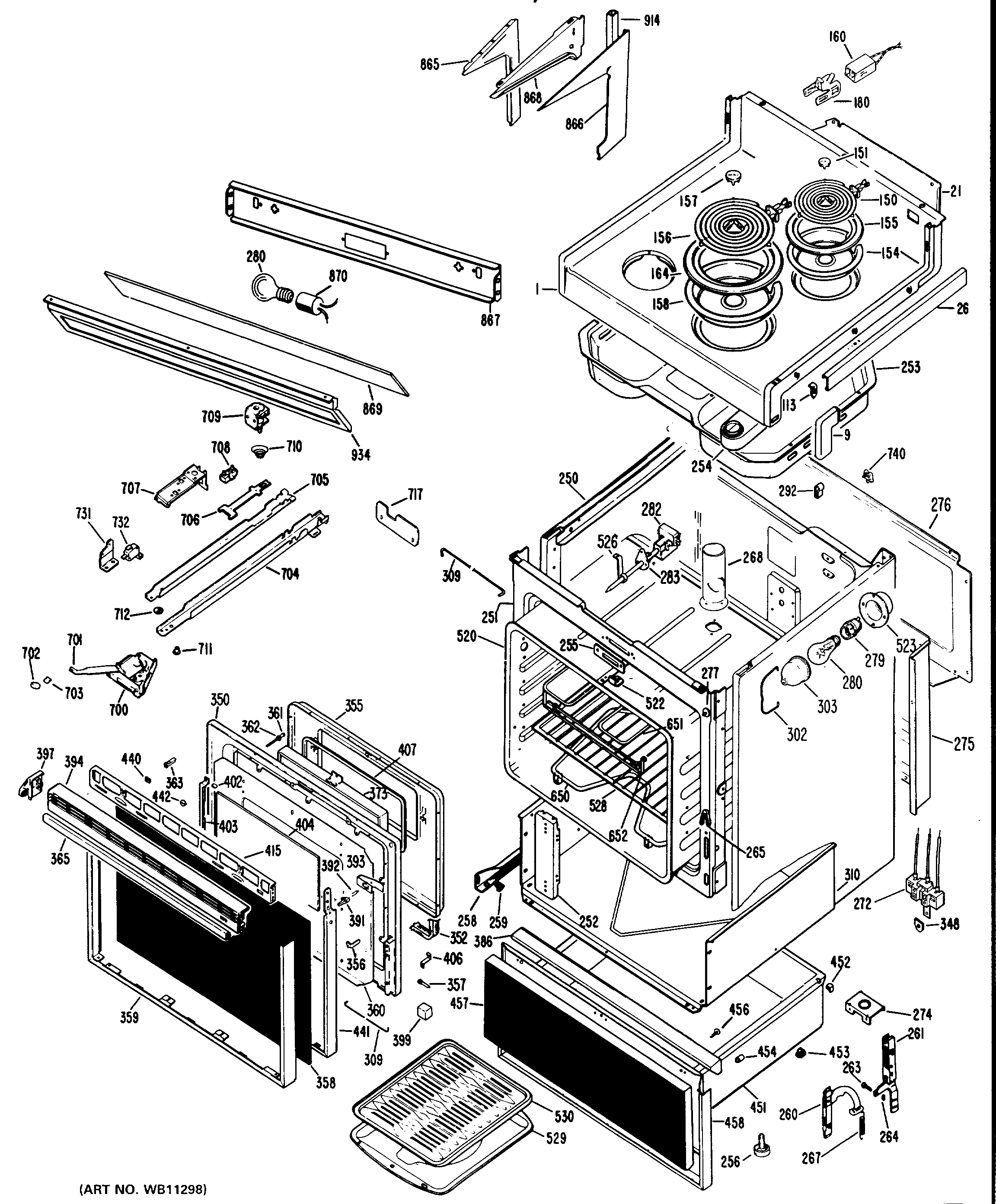
| 1 | COOKTOP HA |
| 1 | COOKTOP AD |
| 1 | COOKTOP WH |
| 3 | WB21X36771 GE Surface Element Switch |
| 4 | ELEMENT KNOB |
| 5 | NEON LAMP 118V |
| 5 | GEN WB02X3468 |
| 9 | GEN WB07X6676 |
| 9 | GEN WB07X6677 |
| 11 | GEN WB22X5103 |
| 11 | SWITCH, OVEN-UPPER |
| 12 | OVEN SWITCH KNOB |
| 12 | OVEN SWITCH KNOB-LO |
| 14 | GEN WB21X5208 |
| 14 | GEN WB02X6274 |
| 14 | GEN WB24X0184 |
| 15 | THERMOSTAT KNOB |
| 15 | KNOB |
| 16 | GEN WB19X0123 |
| 17 | GEN WB03X0459 |
| 18 | GEN WB36X5612 |
| 18 | GEN WB02X6240 |
| 18 | GEN WB02X3232 |
| 21 | COVER BACK |
| 26 | TRIM COOKTOP RH |
| 26 | TRIM COOKTOP LH |
| 27 | GEN WB02X2900 |
| 39 | LAMP BRACKET |
| 45 | NUT |
| 113 | CLIP TRIM |
| 122 | GEN WB02X1422 |
| 148 | GEN WZ04X0237 |
| 150 | WB30M1 GE Oven Range Cooktop Burner Unit 6 Inch |
| 151 | GEN WB32X0052 |
| 154 | GEN WB32X5059 |
| 154 | GEN WB32X5051 |
| 155 | WB31X5013 GE Oven 6" Chrome Trim Ring |
| 156 | WB30M2 GE Oven Range Stove Cooktop Burner Unit 8 Inch |
| 157 | GEN WB32X0051 |
| 158 | WB32X5060 GE Oven 8" Gray Pan 8 7/16" DIA |
| 164 | WB31X5014 GE 8-Inch Chrome Trim Ring |
| 180 | WB17X5113 GE Oven Cooktop Burner Receptacle Kit |
| 250 | OVEN ASSEMBLY |
| 251 | GEN WB56X6054 |
| 252 | GEN WB02X7864 |
| 253 | GEN WB49X5465 |
| 254 | BODY VENT |
| 255 | GEN WB07X0552 |
| 256 | GEN WB01X5516 |
| 258 | GUIDE DRAWER RH |
| 258 | GUIDE DRAWER LH |
| 259 | SLIDE GUIDE |
| 260 | HINGE LEVER ASM RH & LH |
| 261 | GEN WB10X5091 |
| 261 | GEN WB10X5090 |
| 263 | GEN WB02X6195 |
| 264 | RING RETAINING |
| 265 | GEN WB02X6342 |
| 267 | SPRING DOOR |
| 268 | GEN WB29X5019 |
| 272 | WB17X5095 GE Black Oven Terminal |
| 274 | KNOCKOUT PLATE |
| 275 | GEN WB02X7774 |
| 276 | GEN WB49X5398 |
| 277 | SWITCH, OVEN LIGHT |
| 279 | WB08T10026 GE Range Push-In Receptacle |
| 279 | GEN WB08X0191 |
| 280 | RANGE ONLY 40W 120V APPL BULB |
| 282 | GEN WB24X5138 |
| 283 | GEN WB02X3163 |
| 283 | GEN WB02X3164 |
| 290 | GEN WB24X5239 |
| 292 | GEN WB01X0386 |
| 302 | GEN WB02X7694 |
| 303 | WB36X192 GE Oven Light Cover |
| 305 | GEN WB02X6653 |
| 309 | GEN WB02X6767 |
| 310 | GEN WB49X5156 |
| 348 | PLATE GROUND |
| 350 | GEN WB55X5322 |
| 350 | INSULATION DOOR |
| 352 | WB2X6547 GE Oven Door Gasket |
| 355 | GEN WB55X5331 |
| 356 | GEN WB02X6574 |
| 357 | WB1X558D GE Oven Screw Package |
| 358 | GEN WB36X5560 |
| 360 | GEN WB55X5325 |
| 361 | GEN WB01X5735 |
| 362 | WB1X119D GE Oven Range Washer |
| 363 | GEN WB02X7616 |
| 365 | GEN WB15X5174 |
| 373 | GEN WB36X5634 |
| 386 | HANDLE DRAWER |
| 391 | GEN WB2X7881 |
| 392 | CAM LINK |
| 393 | GEN WB09X5083 |
| 394 | GEN WB07X6889 |
| 397 | GEN WZ04X0384 |
| 397 | WB15X5189 GE Oven Endcap 2-Pack |
| 399 | GEN WB02X3285 |
| 402 | GEN WB01X0591 |
| 403 | GEN WB02X7188 |
| 404 | GEN WB36X5477 |
| 406 | BRACKET DOOR |
| 407 | GEN WB07X6913 |
| 415 | GEN WB02X7608 |
| 440 | WB01K10093 GE Oven Speednut |
| 441 | GEN WB02X7609 |
| 441 | GEN WB02X7610 |
| 442 | GEN WB01X5733 |
| 451 | GEN WB02X6740 |
| 451 | DRAWER ASM |
| 452 | SLIDE TOP |
| 453 | SLIDE BOTTOM |
| 454 | GEN WB02X6208 |
| 456 | WZ4X345D GE Screw Package 12 C92 |
| 456 | WZ4X230D GE Screw Package 12 |
| 457 | GEN WB56X5799 |
| 458 | GEN WB07X5659 |
| 459 | WB1X537 GE Oven Screw |
| 461 | WB1X536 GE Oven Screw |
| 520 | GEN WB53X |
| 520 | GEN WB02X6496 |
| 520 | GEN WB02X3471 |
| 522 | TRIM CLIP |
| 763 | GEN WB02X1665 |
| 782 | WB17X5060 GE Oven Block Assembly |
| 788 | GEN WB17X5064 |
| 789 | GEN WB27X5271 |
| 851 | GEN WB26X5083 |
| 864 | GEN WB56X6075 |
| 864 | GEN WB56X6076 |
| 864 | GEN WB56X6074 |
| 871 | GEN WB02X7758 |
| 872 | GEN WB02X1583 |
| 873 | GEN WB15X0109 |
| 880 | GEN WB56X0923 |
| 881 | FILTER PLATE |
| 882 | HOOD TRIM |
| 883 | GEN WB07X0770 |
| 883 | GEN WB07X0771 |
| 883 | GEN WB02X3432 |
| 884 | GEN WB02X2017 |
| 885 | SPRING & PIN ASM |
| 886 | GEN WB02X1511 |
| 886 | OVEN BODY |
| 887 | OVEN RACK-UPPER |
| 888 | BROILER REFLECTOR |
| 889 | INSTRUMENT COVER |
| 890 | SIDE PANEL-LT |
| 890 | GEN WB56X6057 |
| 891 | WR62X51 GE Refrigerator Capacitor |
| 892 | BOTTOM PANEL |
| 893 | REAR PANEL |
| 894 | GEN WB56X6024 |
| 895 | GEN WB02X1658 |
| 897 | WASHER |
| 898 | GEN WB49X0179 |
| 899 | INSULATION GUARD |
| 900 | GASKET SILICONE UP OVEN |
| 901 | GEN WB55X5324 |
| 902 | GEN WB49X5391 |
| 903 | OV LAMP SHIELD |
| 904 | OV LAMP LENS |
| 905 | BROIL SUPPORT |
| 906 | CASE SIDE-LT WHITE |
| 906 | GEN WB56X1465 |
| 906 | CASE SIDE LH HA |
| 906 | CASE SIDE-RT- |
| 906 | CASE SIDE RH HA |
| 906 | CASE SIDE-RT WHITE |
| 907 | GEN WB02X1666 |
| 908 | WB44X195 GE Oven Bake Unit |
| 909 | BROIL UNIT-UPPER OVEN |
| 911 | GEN WB15X5165 |
| 912 | DOOR STRIKE |
| 913 | CASE BOTTOM |
| 915 | INSULATION GUARD-LOWER |
| 916 | GEN WB02X7759 |
| 917 | FRONT FRAME |
| 918 | GEN WB07X0776 |
| 919 | HINGE PIN |
| 920 | BACK COVER |
| 921 | DOOR GUIDE |
| 922 | SPRING CATCH |
| 923 | CONTROL TRIM |
| 925 | SWITCH TRIM |
| 926 | INSTRUMENT BRACKET |
| 927 | THERMOSTAT BRACKET-UPP |
| 927 | THERMOSTAT BRACKET-LOWER |
| 928 | SWITCH BRACKET |
| 929 | SWITCH, LAMPS |
| 930 | SWITCH, FAN |
| 931 | SHAFT EXTENSION-UPPER OV |
| 931 | SHAFT EXTENSION-LOWER OV |
| 932 | SPEEDNUT |
| 933 | CLIP |
| 936 | FILTER COMBINATION |
| 940 | GEN WB02X7760 |
| 978 | GEN WB02X1126 |